Kenmore 790 Electric Range Wiring Diagram

kenmore 790 electric range wiring diagram
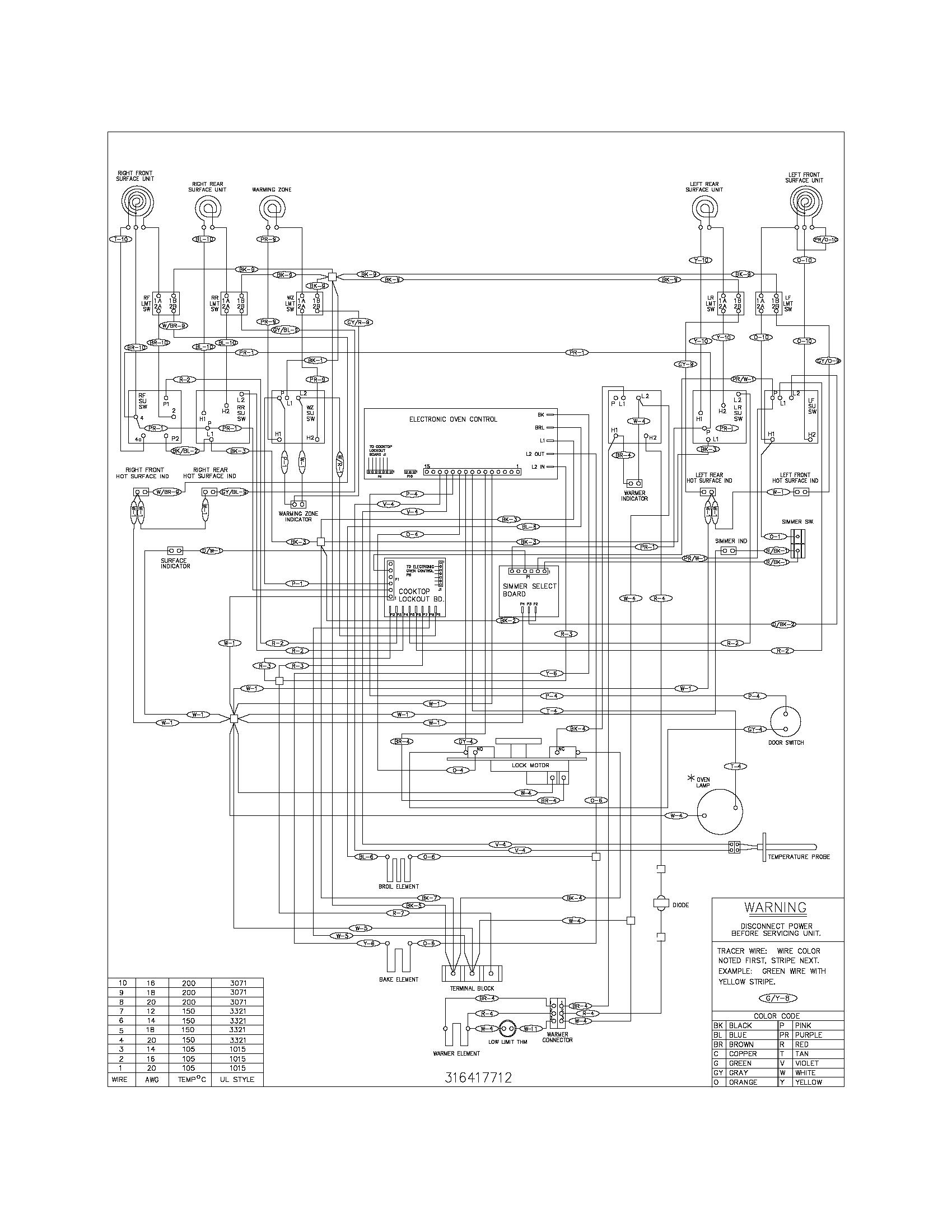
Kenmore Electric Range Wiring Diagram | Free Wiring Diagram kenmore 790 electric range wiring diagram
Kenmore model 79096413401 free standing, electric genuine ... kenmore 790 electric range wiring diagram
Kenmore-Elite model 79046813992 slide-in range, electric ... kenmore 790 electric range wiring diagram
Kenmore Electric Range Door Light Switch Replacement ... kenmore 790 electric range wiring diagram
Viking Range Wiring Diagram | Free Wiring Diagram kenmore 790 electric range wiring diagram
Wall Oven Won't Heat: Resetting the Thermal Switch - YouTube kenmore 790 electric range wiring diagram
Whirlpool RBD305PDB14 Built In Oven - Electric Timer ... kenmore 790 electric range wiring diagram
Ge Oven: Ge Oven Fuse Location kenmore 790 electric range wiring diagram
Frigidaire Range Stove Oven Clock Timer 316455420 ... kenmore 790 electric range wiring diagram
Dryer Not Heating? – Whirlpool/Kenmore Dryer Repair (part ... kenmore 790 electric range wiring diagram
Oven Terminal Block (part #9761958)-How To Replace - YouTube kenmore 790 electric range wiring diagram
How to replace oven spares on a Neff oven door - YouTube kenmore 790 electric range wiring diagram
Appliantology Archive: Basic Electrical Testing kenmore 790 electric range wiring diagram
GE Gas Range/Oven Door Hinge Replacement #WB10K12 - YouTube kenmore 790 electric range wiring diagram
Parts for Frigidaire FEFL79GCA Range - AppliancePartsPros.com kenmore 790 electric range wiring diagram

Kenmore 790 Electric Range Wiring Diagram


Please create a FREE ACCOUNT to continue reading or download !

Start Your FREE Month!!