E46 Bmw N42 Engine Timing Diagrams

e46 bmw n42 engine timing diagrams
Tag For Valvetronic relay bmw e46 n42 : Pantri Trading Bmw ... e46 bmw n42 engine timing diagrams
BMW N52 – Wikipedia e46 bmw n42 engine timing diagrams
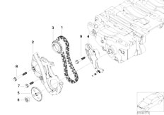
Original Parts for E46 316ti N42 Compact / Engine/ Engine ... e46 bmw n42 engine timing diagrams
Original Parts for E46 330d M57 Touring / Engine ... e46 bmw n42 engine timing diagrams
Le moteur de la BMW Série 1 (E87) (Page 1) / Série 1 E87 ... e46 bmw n42 engine timing diagrams
N47 Timing chain RECALL NOW FINISHED - Page 18 - babybmw.net e46 bmw n42 engine timing diagrams
strange parts mismatch problem: M20 heater hose vs. back ... e46 bmw n42 engine timing diagrams
2000-05 BMW X5 4.4L and 4.6L Serpentine Belt Diagram ... e46 bmw n42 engine timing diagrams
Engines | Taurus/Sable Encyclopedia e46 bmw n42 engine timing diagrams

E46 Bmw N42 Engine Timing Diagrams


Please create a FREE ACCOUNT to continue reading or download !

Start Your FREE Month!!