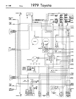
1987 Toyota Pickup Tail Light Wiring Diagram

1987 toyota pickup tail light wiring diagram
I need 1987 tail light blinker ecu. wiring diagram or ... 1987 toyota pickup tail light wiring diagram
1987 Toyota Pickup 22R - CHARGE LIGHT ON - YotaTech Forums 1987 toyota pickup tail light wiring diagram
service owner manual : 1987 Toyota Pickup 4wd 22r engine ... 1987 toyota pickup tail light wiring diagram
1987 Toyota pickup brake line diagram 1987 toyota pickup tail light wiring diagram
Whelen Csp690 Wiring Diagram | Free Wiring Diagram 1987 toyota pickup tail light wiring diagram
1987 Toyota Truck Pickup 2WD 2.4L 2BL SOHC 4cyl | Repair ... 1987 toyota pickup tail light wiring diagram
Headlight And Tail Light Wiring Schematic / Diagram ... 1987 toyota pickup tail light wiring diagram
1995 pickup xe step on brake pedal while turning right ... 1987 toyota pickup tail light wiring diagram
1991 Toyota Pickup Tail Light Wiring Diagram 1987 toyota pickup tail light wiring diagram
1989 Toyota 4wd pickup. Tail lights don''t light. Backup ... 1987 toyota pickup tail light wiring diagram
I need a wiring diagram for a 1990 toyota camry. This will ... 1987 toyota pickup tail light wiring diagram
1991 Toyota Pickup Tail Light Wiring Diagram 1987 toyota pickup tail light wiring diagram
1998 Toyota 4Runner Wiring Diagram Lighting | Fuse Box And ... 1987 toyota pickup tail light wiring diagram
Repair Guides 1987 toyota pickup tail light wiring diagram
Does a 1987 toyota pickup have an air conditioner relay ... 1987 toyota pickup tail light wiring diagram
repair-manuals: Toyota Pickup 1981 Wiring Diagrams 1987 toyota pickup tail light wiring diagram
1991 Toyota Pickup Tail Light Wiring Diagram 1987 toyota pickup tail light wiring diagram
Repair Guides 1987 toyota pickup tail light wiring diagram
Repair Guides 1987 toyota pickup tail light wiring diagram
1987 Toyota Truck Pickup 2WD 2.4L 2BL SOHC 4cyl | Repair ... 1987 toyota pickup tail light wiring diagram
toyota forklift Wiring Diagram Download 1987 toyota pickup tail light wiring diagram
85 Chevy: other lights work but the brake lights just ... 1987 toyota pickup tail light wiring diagram
October 2012 ~ Guide Information Blogs 1987 toyota pickup tail light wiring diagram
I've got an odd wiring problem with my 1987 f150 ... the ... 1987 toyota pickup tail light wiring diagram
I have a 1987 toyota pickup 4wd 22r engine. My temp gauge ... 1987 toyota pickup tail light wiring diagram
| Repair Guides | Wiring Diagrams | Wiring Diagrams ... 1987 toyota pickup tail light wiring diagram
1987 Toyota Truck & 4Runner Wiring Diagram Manual Original 1987 toyota pickup tail light wiring diagram
85 Chevy Truck Wiring Diagram | Chevrolet C20 4x2 Had ... 1987 toyota pickup tail light wiring diagram
1990 Honda 300 Fourtrax Wiring Diagram | Wiring Diagram ... 1987 toyota pickup tail light wiring diagram
1987 Toyota Pickup CRANKS BUT WONT START: I REPLACED SPARK ... 1987 toyota pickup tail light wiring diagram
1989 Toyota Pickup Tail Light Wiring Diagram 1989 Toyota ... 1987 toyota pickup tail light wiring diagram
1991 Toyota Pickup Light Wiring Diagram | Wiring Diagram ... 1987 toyota pickup tail light wiring diagram
Headlight And Tail Light Wiring Schematic / Diagram ... 1987 toyota pickup tail light wiring diagram
Need Good Repair Resources! - YotaTech Forums 1987 toyota pickup tail light wiring diagram

1987 Toyota Pickup Tail Light Wiring Diagram


Please create a FREE ACCOUNT to continue reading or download !

Start Your FREE Month!!