Block Diagram Javascript

block diagram javascript
Lego Blocks Process 8 stages Style 2 Powerpoint Slides And ... block diagram javascript
Gretsch Schematics - Tube amp Schematics block diagram javascript
Connecting Your Apps, Part I: NGINX and Microservices block diagram javascript
Selenium Framework: Keyword Driven & Hybrid block diagram javascript
Partial fuse box down - GBodyForum - '78-'88 General ... block diagram javascript
Processes | Free Full-Text | Design of Sustainable Biofuel ... block diagram javascript
Modelio SysML Architect | Tool for modeling large-scale ... block diagram javascript
A ) Lumbar transforaminal epidural injection at L4/5 and ... block diagram javascript
Acorn: Rock Text block diagram javascript
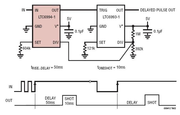
Delayed One Shot Circuit Collection | Analog Devices block diagram javascript
Except Integrated Sustainability | Boston Fort Point ... block diagram javascript
ASUS X399 ROG ZENITH EXTREME motherboard unboxed ... block diagram javascript
Chesapeake Bay 1781 block diagram javascript
Machine learning identifies interacting genetic variants ... block diagram javascript
Front View of the Parts of the Human Body Labeled in ... block diagram javascript
Legosaurus — Lego Blueprint Vector Art Created by Rodolphe... block diagram javascript
Brick Pizza Ovens - Brick Oven | Grills'n Ovens block diagram javascript
DVIDS - News - Okinawa Marines first to receive new body armor block diagram javascript

Block Diagram Javascript


Please create a FREE ACCOUNT to continue reading or download !

Start Your FREE Month!!