08 Crown Vic Radio Wiring Diagram

08 crown vic radio wiring diagram
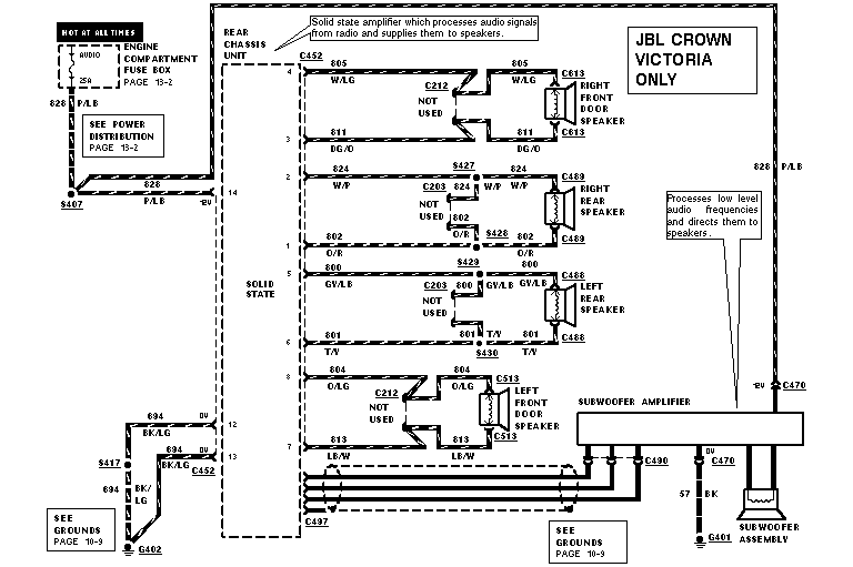
2008 Ford Crown Victoria Wiring Diagram - Wiring Diagram 08 crown vic radio wiring diagram
Need wiring diagram for 2006 crown victoria police ... 08 crown vic radio wiring diagram
Need wiring diagram for 2006 crown victoria police ... 08 crown vic radio wiring diagram
2008 Ford Crown Victoria Wiring Diagram - Wiring Diagram 08 crown vic radio wiring diagram
Door speaker......which wire is pos. and neg ??? | Body ... 08 crown vic radio wiring diagram
Need wiring diagram for 2006 crown victoria police ... 08 crown vic radio wiring diagram
2003 Ford Crown Vic Wiring Diagram ~ Electro Circuit diaggram 08 crown vic radio wiring diagram
1999 ford crown victoria: stereo..wiring diagram..s wiring ... 08 crown vic radio wiring diagram
**Color Codes for Radio Wiring** | Body and Interior ... 08 crown vic radio wiring diagram
Which connector is this harness? | Body and Interior ... 08 crown vic radio wiring diagram
On a 2006 ford crown vic what color wire goes from the ... 08 crown vic radio wiring diagram
Ford Crown Victoria Radio Wiring Diagram - Wiring Forums 08 crown vic radio wiring diagram
Ford Crown Victoria 2004.a/c Blows Hot Air. 08 crown vic radio wiring diagram
Ford Crown Victoria Radio Wiring Diagram - Wiring Forums 08 crown vic radio wiring diagram
2011 Ford Crown Victoria Police Interceptor Fuse Box Diagram 08 crown vic radio wiring diagram
Ford Crown Victoria Radio Wiring Diagram - Wiring Forums 08 crown vic radio wiring diagram
Alternator Charging System Wiring Diagrams | Body of ... 08 crown vic radio wiring diagram
Wire diagram for a 2000 crown vic | Body and Interior ... 08 crown vic radio wiring diagram
Have a 2000 Crown Victoria police package. Numerous wires ... 08 crown vic radio wiring diagram
Crown Vic Radio Wiring Diagram | Wiring Diagram 08 crown vic radio wiring diagram
08 P71 Fuel pump wiring colors | 4.6L Based Powertrains ... 08 crown vic radio wiring diagram
Need PCM wiring diagram for 2008 | 4.6L Based Powertrains ... 08 crown vic radio wiring diagram
Ford Crown Victoria Radio Wiring Diagram - Wiring Forums 08 crown vic radio wiring diagram
I have a 95 lincoln town car that is running the battery ... 08 crown vic radio wiring diagram
2008 Ford Crown Victoria Wiring Diagram - Wiring Diagram 08 crown vic radio wiring diagram
Charging issue? | 4.6L Based Powertrains | Crownvic.net 08 crown vic radio wiring diagram
FCV'97 No PCM power! Engine doesnt start. | 4.6L Based ... 08 crown vic radio wiring diagram
2003 Crown Victoria Wiring Diagram | Wiring Diagram Database 08 crown vic radio wiring diagram
Ford Crown Victoria Radio Wiring Diagram - Wiring Forums 08 crown vic radio wiring diagram
Need PCM wiring diagram for 2008 | 4.6L Based Powertrains ... 08 crown vic radio wiring diagram
07crown Victoria Factory Radio Wiring Diagram 08 crown vic radio wiring diagram
Need instructions, diagrams ETC. I HAVE A 1984 ford LTD ... 08 crown vic radio wiring diagram
premium sound upgrade | Body and Interior | Crownvic.net 08 crown vic radio wiring diagram
Ford Crown Victoria Radio Wiring Diagram - Wiring Forums 08 crown vic radio wiring diagram
Electrical questions | Body and Interior | Crownvic.net 08 crown vic radio wiring diagram

08 Crown Vic Radio Wiring Diagram


Please create a FREE ACCOUNT to continue reading or download !

Start Your FREE Month!!