Potentiometer Wiring Diagram Electric Scooter

potentiometer wiring diagram electric scooter
Acelerador Para Patinete Eletrico - R$ 55,00 em Mercado Livre potentiometer wiring diagram electric scooter
Passion Gadgets Singapore Blog potentiometer wiring diagram electric scooter
complete guide to build a segway 2013 | Diy electronics ... potentiometer wiring diagram electric scooter
DC Variable Speed Motor Controller | eBay potentiometer wiring diagram electric scooter
Faisceaux électriques - L'atelier du XT 500 potentiometer wiring diagram electric scooter
The 24V, 300W, BLDC Kollmorgen motor integrated controller ... potentiometer wiring diagram electric scooter
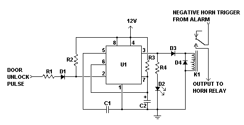
Wiring Schematic Diagram: Car Alarm Arming Horn Beep Canceller potentiometer wiring diagram electric scooter
hall sensor controller « Brushless motors, 3Phase ... potentiometer wiring diagram electric scooter
Is there any way to add a cruise control kit to the S ... potentiometer wiring diagram electric scooter
Lessons In Electric Circuits -- Volume III (Semiconductors ... potentiometer wiring diagram electric scooter

Potentiometer Wiring Diagram Electric Scooter


Please create a FREE ACCOUNT to continue reading or download !

Start Your FREE Month!!