Simple Circuit Diagram Pdf

simple circuit diagram pdf
Sales of Amateur Equipment w/o Licenses simple circuit diagram pdf
uPC1230H2 NEC upc1230 UPC1230H2(2) 20watt Audio AMP ... simple circuit diagram pdf
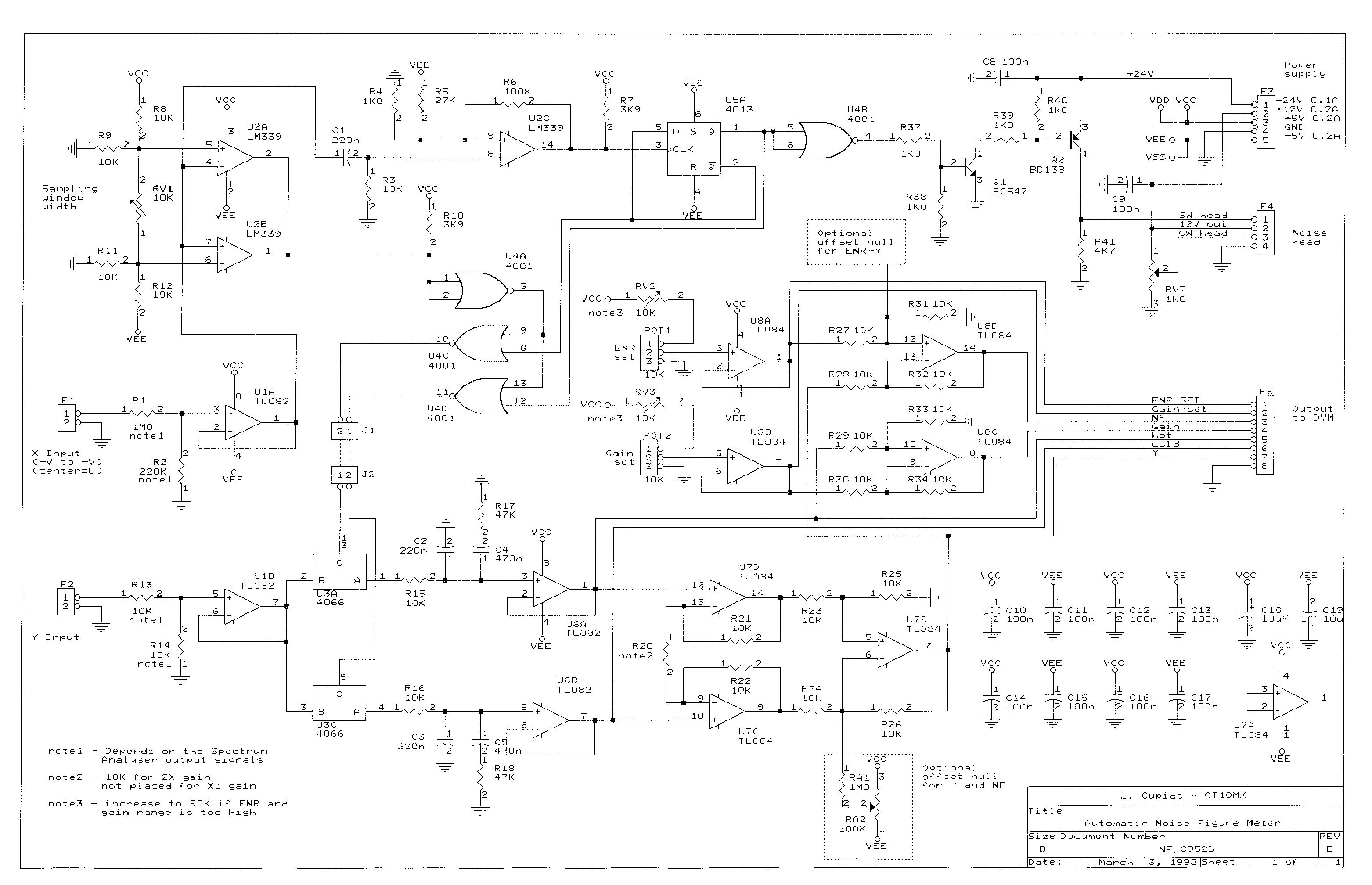
Noise Figure Meter with a Spectrum Analyser - L. Cupido simple circuit diagram pdf
200+ Arduino Projects List For Final Year Students simple circuit diagram pdf
24V to 12V 10Amp DC DC Converter Circuit TL494 ... simple circuit diagram pdf
Kvejl - Wikipedia, den frie encyklopædi simple circuit diagram pdf
8 Channel Relay Board – Circuit Wiring Diagrams simple circuit diagram pdf
How to Make Phonecall From GSM Module Using Arduino- (Part ... simple circuit diagram pdf
Fire Alarm Project using Thermistor and IC 555 - YouTube simple circuit diagram pdf
Power Off Time Delay Relay Circuit - YouTube simple circuit diagram pdf
Cut-Off Circuit For 12V Lead Acid Battery Charging - YouTube simple circuit diagram pdf
Difference Between RISC and CISC Architectures and its ... simple circuit diagram pdf
Yuan-Jing Pre-amp Tube Amplifier Kit 6N2 SRPP for DIY ... simple circuit diagram pdf
HVAC - FCU, Fan Coil Units - YouTube simple circuit diagram pdf
Final Projects ECE 4760 simple circuit diagram pdf
Unit 3: Computer Technology - Electrical and Digital Circuits simple circuit diagram pdf
Creating a Smart Home with Blynk - Industry Articles simple circuit diagram pdf
PIC Microcontroller Simulator Program - Electronics ... simple circuit diagram pdf
Bobby Car Hoverboard Upgrade - ivc wiki simple circuit diagram pdf
Inflatable bunny simple circuit diagram pdf

Simple Circuit Diagram Pdf


Please create a FREE ACCOUNT to continue reading or download !

Start Your FREE Month!!