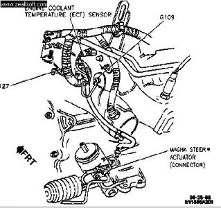
1996 Cadillac Concours Engine Diagram

1996 cadillac concours engine diagram
Cadillac DeVille (1997) – fuse box diagram | Auto Genius 1996 cadillac concours engine diagram
Cadillac DeVille (1997) - fuse box diagram - Auto Genius 1996 cadillac concours engine diagram
97 Cadillic Deville North Star V8: Where Is the Cooling ... 1996 cadillac concours engine diagram
How do i loosen the top of the rear shocks of a Cadillac ... 1996 cadillac concours engine diagram
Which realy is the cooling fan relay on my 1995 cadillac sls 1996 cadillac concours engine diagram
Northstar Alternator Out the Bottom - YouTube 1996 cadillac concours engine diagram
Cadillac Eldoroado mk10 (Tenth Generation; 1992 – 2000 ... 1996 cadillac concours engine diagram
Cadillac Deville blower Motor - YouTube 1996 cadillac concours engine diagram
GMC Jimmy (1999 - 2000) - fuse box diagram - Auto Genius 1996 cadillac concours engine diagram
| Repair Guides | Circuit Protection | Fuses | AutoZone.com 1996 cadillac concours engine diagram
1995-2014 GM Vehicles Plastic Cap For OBD2 Diagnostic ... 1996 cadillac concours engine diagram
Cadilac Eldorado 1996 Compartment Fuse Box/Block Circuit ... 1996 cadillac concours engine diagram
Delco 10MT Starter - Starting millions of engines for ... 1996 cadillac concours engine diagram
Mass Air Flow Sensor (MAF) Cleaning | The Family Handyman 1996 cadillac concours engine diagram
How to Replace a Mass Air Flow Sensor on Your Car - YouTube 1996 cadillac concours engine diagram
Chrysler's Lean-Burn System - Solving yesterday's emi ... 1996 cadillac concours engine diagram
Superlative Super Sport - 1963 Chevrolet Impala SS ... 1996 cadillac concours engine diagram

1996 Cadillac Concours Engine Diagram


Please create a FREE ACCOUNT to continue reading or download !

Start Your FREE Month!!