B14 Engine Diagram

b14 engine diagram
motor nissan ga16de sonando como petrolero.wmv - YouTube b14 engine diagram
Nissan 200sx se-r mod engine at Nismolism2011 - YouTube b14 engine diagram
Nissan Twin Cam 16 valve - YouTube b14 engine diagram
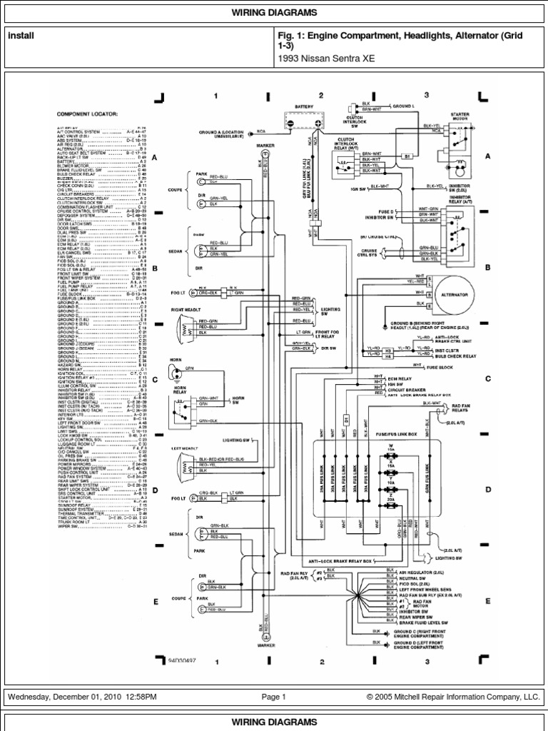
Sistema electrico Nissan Sentra XE B13 93 b14 engine diagram
ga16de-ex-cam-ridge.mp4 - YouTube b14 engine diagram
Cómo limpiar una válvula EGR con ultrasonido - Green ... b14 engine diagram
My 544 B16B Sport b14 engine diagram
Como cambiar la faja del alternador - YouTube b14 engine diagram
How to disassemble engine VVT-i Toyota Part 9/31: Cylinder ... b14 engine diagram
Yanmar EPC 2009 parts catalog repair manual Order & Download b14 engine diagram
Terex Lifts Service Manuals b14 engine diagram
John Deere 690B Excavator TM1093 Technical Manual PDF b14 engine diagram
How to change clutch on front wheel drive vehicle (Nissan ... b14 engine diagram
Nissan Skyline GT-R s in the USA Blog: Nissan Skyline GT-R ... b14 engine diagram
VWVortex.com - ABS Fuse Location to disable ABS - on mk3 ... b14 engine diagram
PROBADOR DE VALVULAS IAC - YouTube b14 engine diagram
Nissan micra RADIATOR FAN RUNNING - YouTube b14 engine diagram
Oxygen sensor replacement on a Nissan - YouTube b14 engine diagram
Honda Civic Cranks But Does Not Start - YouTube b14 engine diagram

B14 Engine Diagram


Please create a FREE ACCOUNT to continue reading or download !

Start Your FREE Month!!