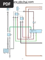
1996 Toyota Corolla Starting And Charging Systems Diagrams

1996 toyota corolla starting and charging systems diagrams
Repair Guides 1996 toyota corolla starting and charging systems diagrams
Toyota - Diagnostic Trouble Codes | Fuel Injection ... 1996 toyota corolla starting and charging systems diagrams
| Repair Guides | Firing Orders | Firing Orders | AutoZone.com 1996 toyota corolla starting and charging systems diagrams
The Torque Spec. Guide - Tacoma World Forums 1996 toyota corolla starting and charging systems diagrams
V Kayışı Nedir, Koparsa Ne Olur? | Araç İncele 1996 toyota corolla starting and charging systems diagrams
How to Fix Power Steering Pump Noise | BlueDevil Products 1996 toyota corolla starting and charging systems diagrams

1996 Toyota Corolla Starting And Charging Systems Diagrams


Please create a FREE ACCOUNT to continue reading or download !

Start Your FREE Month!!