Craftsman Garage Door Opener Parts Diagram

craftsman garage door opener parts diagram
OEM Craftsman Garage Door Opener Gear and sprocket ... craftsman garage door opener parts diagram
Looking for Craftsman model 13953675SRT garage door opener ... craftsman garage door opener parts diagram
CRAFTSMAN Garage Door Opener Parts | Model 13953970SRT ... craftsman garage door opener parts diagram
Decorating: Inspiring Acsctg Type 1 For Contemporary ... craftsman garage door opener parts diagram
Repair Guides craftsman garage door opener parts diagram
1st United Door Technologies | Garage Door Emergency ... craftsman garage door opener parts diagram
LiftMaster Garage Door Opener Replacement Circuit Board ... craftsman garage door opener parts diagram
How to program travel on LiftMaster® Security+2.0™ garage ... craftsman garage door opener parts diagram
LiftMaster K001A6424-2 315MHz Logic Board Replacement craftsman garage door opener parts diagram
LiftMaster Chamberlain 41D4674-10H Screw Drive Logic Board craftsman garage door opener parts diagram
How to Disengage Garage Door Openers for Manual Operation craftsman garage door opener parts diagram
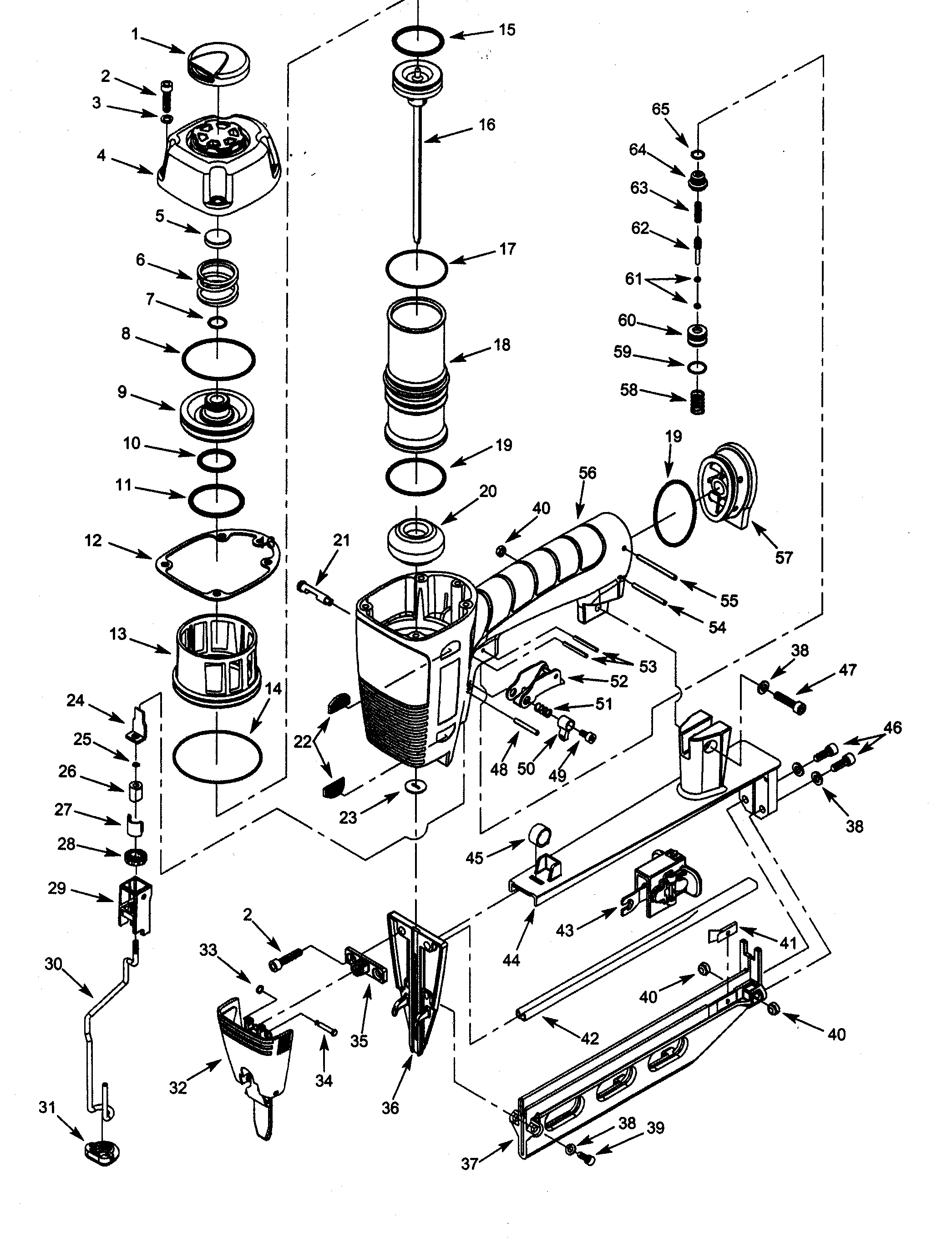
Craftsman model 351181750 nailer genuine parts craftsman garage door opener parts diagram
Automatic Gate Opener Not Working - YouTube craftsman garage door opener parts diagram
Liftmaster Garage Door Opener 3800 41A5034 Safety sensor kit craftsman garage door opener parts diagram
Detailed Garage Door Installation Instructions craftsman garage door opener parts diagram
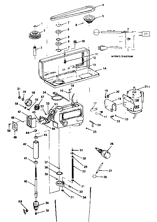
Craftsman model 113213722 drill press genuine parts craftsman garage door opener parts diagram
STIHL FS56 Weed Trimmer / Bush Trimmer GEAR HEAD | DIY Forums craftsman garage door opener parts diagram
A Shed / Garage Alarm circuit diagram and instructions craftsman garage door opener parts diagram
How to build A Shed / Garage Alarm - circuit diagram craftsman garage door opener parts diagram
KENMORE ELITE BOTTOM MOUNT REFRIGERATOR Parts | Model ... craftsman garage door opener parts diagram

Craftsman Garage Door Opener Parts Diagram


Please create a FREE ACCOUNT to continue reading or download !

Start Your FREE Month!!