Porsche 930 Fuse Box

porsche 930 fuse box
930 Engine Compartment Fuses and Relays - Rennlist ... porsche 930 fuse box
Getting my 81 911SC back on the road - Pelican Parts Forums porsche 930 fuse box
Electrical component locations - Porsche 911 1984 1989 porsche 930 fuse box
POCG - Porsche Owners Club Germany porsche 930 fuse box
Classic Retrofit 911 Fuse Panel Upgrade - PelicanParts.com porsche 930 fuse box
Fuel Pump/ Relay Wiring (87-930) - Rennlist - Porsche ... porsche 930 fuse box
Fuse diagram - Pelican Parts Forums porsche 930 fuse box
Porsche 911 Electrical Problem Troubleshooting | 911 (1965 ... porsche 930 fuse box
Where is the fuel relay located for a 1979 porsche 928 ... porsche 930 fuse box
Crankshaft sensors removing and installing - Porsche 911 ... porsche 930 fuse box
DME jumper confusion : fuel pump sound - Pelican Parts Forums porsche 930 fuse box
Porsche Boxster Cruise Control Installation - 986 / 987 ... porsche 930 fuse box
The Mysteries of Porsche 911 Auto Heat porsche 930 fuse box
Index of /~riffraff/images/cars/porsche porsche 930 fuse box
Porsche 356 6-volt and 12-volt Bulbs and Fuses porsche 930 fuse box
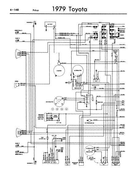
repair-manuals: Toyota Pickup 1979 Wiring Diagrams porsche 930 fuse box
dC AutomotiveOver 140,000 square feet of new and used ... porsche 930 fuse box
Porsche Boxster Air / Oil Separator Replacement - 986 ... porsche 930 fuse box
Pin by Surasit Chandhrathip on Blueprints | Ford gt, Ford ... porsche 930 fuse box
Fender Turn Signal Light Lens 68-69 VW Super Beetle ... porsche 930 fuse box

Porsche 930 Fuse Box


Please create a FREE ACCOUNT to continue reading or download !

Start Your FREE Month!!