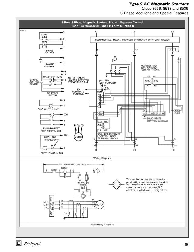
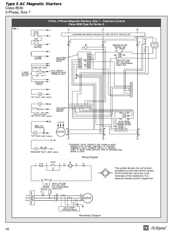
Square D 8536 Wiring Diagram

square d 8536 wiring diagram
Square D 8536SBO2S Size 0 NEMA rated starter with a ... square d 8536 wiring diagram
Square D Type S Contactors and Starters - YouTube square d 8536 wiring diagram
Square D 8536SCG3V02S Magnetic Motor Starter - CPI ... square d 8536 wiring diagram
Electrical square d 8536 wiring diagram
Hello, I have a square d 8536 starter, it did not come with square d 8536 wiring diagram
Square D Wiring Diagram square d 8536 wiring diagram
Square D 8536-SCO3V02S / 8536SCO3V02S Size 1 Starter, 3 ... square d 8536 wiring diagram
Electrical square d 8536 wiring diagram
Class 8536 Square D Low Voltage Starters & Contactors ... square d 8536 wiring diagram
Square D motor starter wire connections - YouTube square d 8536 wiring diagram
Electrical square d 8536 wiring diagram
SQUARE D NEMA Magnetic Motor Starter, 120VAC Coil Volts ... square d 8536 wiring diagram
Pentair Intellibrite Controller Wiring Diagram square d 8536 wiring diagram
Motor Starters | Schneider Electric square d 8536 wiring diagram
Square D Motor Control Center Model 4 MCC Magnetic Motor ... square d 8536 wiring diagram
1996 Jeep Grand Cherokee Infinity Gold Amp Wiring Diagram square d 8536 wiring diagram
Vetus Wiper Motor Wiring Diagram square d 8536 wiring diagram
Motor Heater Chart | Motor Starter Heater Size Chart square d 8536 wiring diagram

Square D 8536 Wiring Diagram


Please create a FREE ACCOUNT to continue reading or download !

Start Your FREE Month!!