Asco Transfer Switch Wiring Diagram

asco transfer switch wiring diagram
Get asco Series 300 Wiring Diagram Sample asco transfer switch wiring diagram
Asco 940 Wiring Diagram asco transfer switch wiring diagram
Generac 200 Amp Automatic Transfer Switch Wiring Diagram ... asco transfer switch wiring diagram
ASCO 7000 Series Power Transfer Switch - Power Solutions asco transfer switch wiring diagram
400 Amp Transfer Switch In Stock | JM Builder Supply and ... asco transfer switch wiring diagram
Tq Tg7000 Generator Keyswitch Wiring Diagram asco transfer switch wiring diagram
Boweaks Electrical Solutions - 19 Photos & 24 Reviews ... asco transfer switch wiring diagram
Asco 8210 Series RedHat Solenoid Valve asco transfer switch wiring diagram
Generator transfer switch wiring diagram | Home Stuff in ... asco transfer switch wiring diagram
Thermo King Wiring Diagram asco transfer switch wiring diagram
Network Power Switch: September 2011 asco transfer switch wiring diagram
Generac RXSC100A3 | 100A 1Ø-120/240V Nema 3R | Automatic ... asco transfer switch wiring diagram
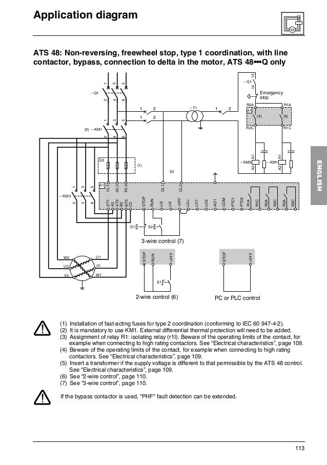
Altistart 48 user manual asco transfer switch wiring diagram
Planning a Manual Transfer Switch Installation | Norwall ... asco transfer switch wiring diagram
Square D Homeline 200 Amp 30-Space 60-Circuit Outdoor Main ... asco transfer switch wiring diagram
Load Bank Testing and Generator Connection Diagram asco transfer switch wiring diagram
Transferencia automática. Prueba de funcionamiento. - YouTube asco transfer switch wiring diagram
SDMO Nexys 2 Control | Original SDMO Control from France asco transfer switch wiring diagram

Asco Transfer Switch Wiring Diagram


Please create a FREE ACCOUNT to continue reading or download !

Start Your FREE Month!!