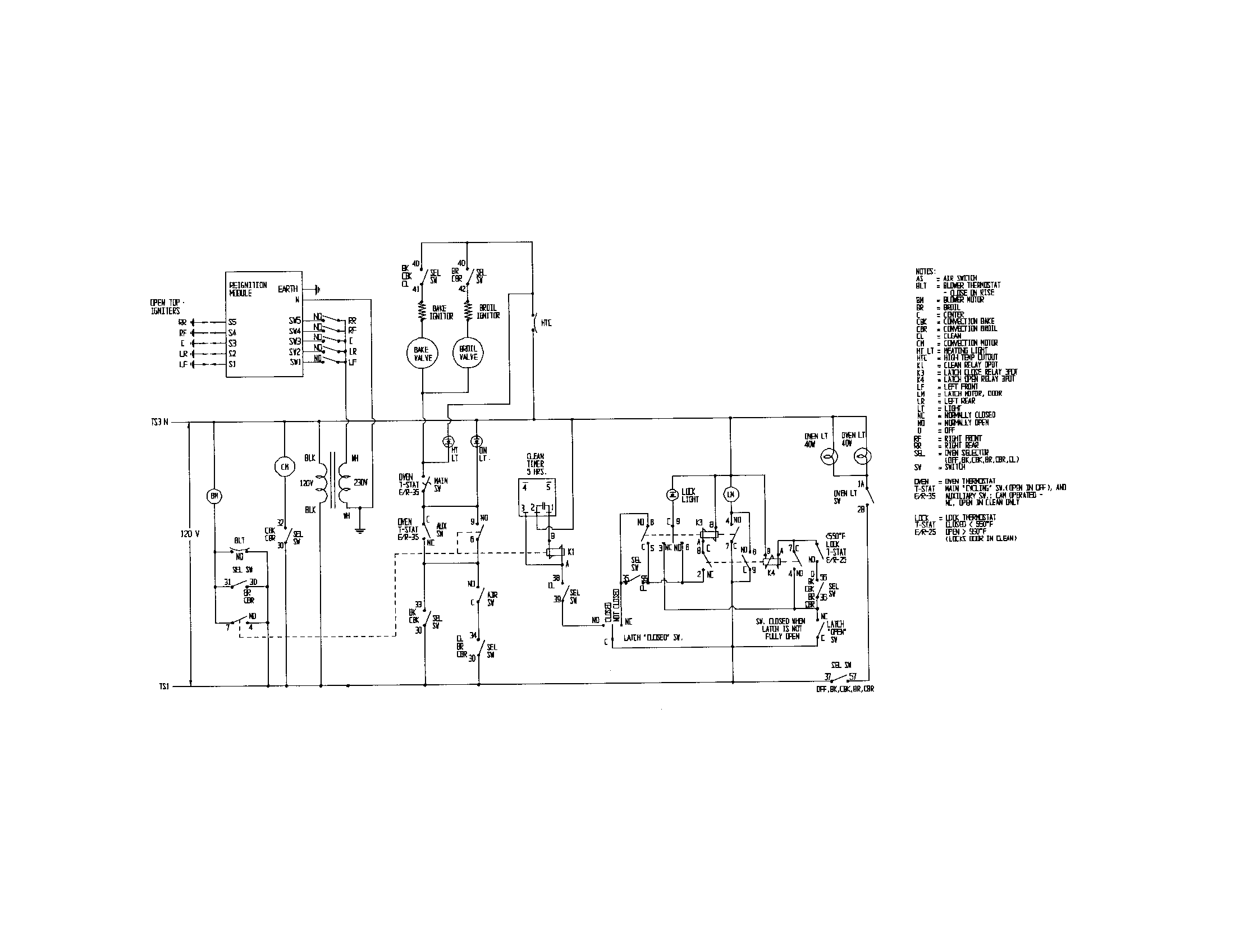
Oven Wiring Diagram Sears

oven wiring diagram sears
SAMSUNG Samsung Microwave Oven Parts | Model MW5350W/XAA ... oven wiring diagram sears
DCS(DYNAMIC COOKING SYSTEMS) GAS RANGE Parts | Model ... oven wiring diagram sears
Goldstar model MV-1310W microwave/hood combo genuine parts oven wiring diagram sears
Looking for Kenmore Elite model 79041023801 electric range ... oven wiring diagram sears
JENN-AIR ELECTRIC RANGE Parts | Model jer8750bab | Sears ... oven wiring diagram sears
Replacing Stove Fuses - YouTube oven wiring diagram sears
Kenmore Elite 79036719505 gas range parts | Sears Parts Direct oven wiring diagram sears
Jenn-Air model CCE3401B counter unit electric genuine parts oven wiring diagram sears
Thermador model CVS30RS range hood genuine parts oven wiring diagram sears
How do I light the plilot light on a Kenmore Elite gas ... oven wiring diagram sears
How to take apart an Oven Door to clean the Glass - YouTube oven wiring diagram sears
How to Replace a Maytag Gas Dryer Thermal Fuse - YouTube oven wiring diagram sears
Dryer Thermal Fuse Replacement – 27” Whirlpool/Kenmore ... oven wiring diagram sears
SOLVED: My dryer works but has no heat whats could be - Fixya oven wiring diagram sears
GE Dryer repair Pix - SublimeMasterJW's Appliance Advice oven wiring diagram sears
A Plus Inc Lennox EDV4035 Replacement Parts Accessories oven wiring diagram sears
Dacor Fault Codes oven wiring diagram sears
Fisher-Paykel model DE60FA-US1-96987 residential dryer ... oven wiring diagram sears
They Used To Last 50 Years | ReCraigslist.com oven wiring diagram sears

Oven Wiring Diagram Sears


Please create a FREE ACCOUNT to continue reading or download !

Start Your FREE Month!!