Arcoaire Furnace Manual Wiring Diagram

arcoaire furnace manual wiring diagram
Arcoaire Gas Furnace Schematic arcoaire furnace manual wiring diagram
Arcoaire Thermostat Wiring Diagram Nice Arcoaire Furnace ... arcoaire furnace manual wiring diagram
Luxaire Wiring Diagrams | Wiring Diagram Database arcoaire furnace manual wiring diagram
hvac - How can I add a
Nordyne Air Handler Wiring Diagram Fan Circuit Free For Ac ... arcoaire furnace manual wiring diagram
Arcoaire Air Conditioning and Heating | AdinaPorter arcoaire furnace manual wiring diagram
Arcoaire Air Conditioning and Heating | AdinaPorter arcoaire furnace manual wiring diagram
Arcoaire Air Conditioning and Heating | AdinaPorter arcoaire furnace manual wiring diagram
Arcoaire Air Conditioning and Heating | AdinaPorter arcoaire furnace manual wiring diagram
Programmable Thermostat arcoaire furnace manual wiring diagram
Arcoaire Air Conditioning and Heating | AdinaPorter arcoaire furnace manual wiring diagram
Wiring Diagram Of Fan Motor Valid Furnace Blower And in ... arcoaire furnace manual wiring diagram
Coleman Evcon Furnace Wiring Diagram | Free Wiring Diagram arcoaire furnace manual wiring diagram
DGAE080CDJ Coleman Gas Furnace Parts – HVACpartstore arcoaire furnace manual wiring diagram
How to add a C wire to an old Lennox system - Home ... arcoaire furnace manual wiring diagram
LENNOX REPAIR MANUAL - Auto Electrical Wiring Diagram arcoaire furnace manual wiring diagram
Carrier Weathermaker 8000 Parts Diagram | Automotive Parts ... arcoaire furnace manual wiring diagram
coleman 7900 gas furnace wiring | coleman furnace wiring ... arcoaire furnace manual wiring diagram
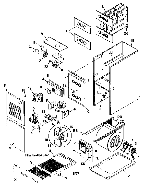
Arcoaire model GUJ075N12B1 furnace/heater, gas genuine parts arcoaire furnace manual wiring diagram
Fan & Limit Switch Q&A-5 Furnace fan limit control ... arcoaire furnace manual wiring diagram
Electric furnace blower won't shut off - DoItYourself.com ... arcoaire furnace manual wiring diagram
Installation and service manuals for heating, heat pump ... arcoaire furnace manual wiring diagram
Ducane Furnace Wiring Diagram - Wiring Diagram And ... arcoaire furnace manual wiring diagram
7656B856 Coleman Gas Furnace Parts – HVACpartstore arcoaire furnace manual wiring diagram
3500-816 Coleman Electric Furnace Parts – Page 2 ... arcoaire furnace manual wiring diagram
MGHA056 Nordyne Gas Furnace Parts – HVACpartstore arcoaire furnace manual wiring diagram
7624-836 Coleman Gas Furnace Parts – HVACpartstore arcoaire furnace manual wiring diagram
DGAT075BDC Coleman Gas Furnace Parts – HVACpartstore arcoaire furnace manual wiring diagram
Atwood Furnace Wiring Diagram Sample arcoaire furnace manual wiring diagram
Dual System (heat Pump With Gas Furnace) Turning Gas Heat ... arcoaire furnace manual wiring diagram
1966 Buick LeSabre, Wildcat, Electra, Air Conditioner ... arcoaire furnace manual wiring diagram
Arcoaire model GUJ100N16C2 furnace/heater, gas genuine parts arcoaire furnace manual wiring diagram
Honeywell Manual thermostat Wiring Diagram Sample arcoaire furnace manual wiring diagram
E1EH012H Nordyne Electric Furnace Parts – HVACpartstore arcoaire furnace manual wiring diagram
ARCOAIR COMFORTMAKER FURNACE Parts | Model GUJ075N12B1 ... arcoaire furnace manual wiring diagram

Arcoaire Furnace Manual Wiring Diagram


Please create a FREE ACCOUNT to continue reading or download !

Start Your FREE Month!!