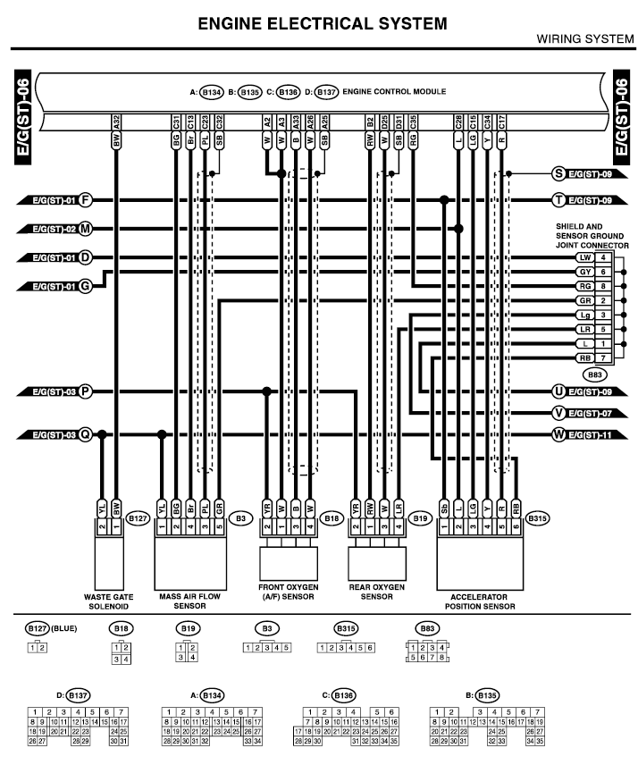
Subaru Dccd Wiring Diagram

subaru dccd wiring diagram
Keep Blowing Fuse #4 (DCCD blinking green) - NASIOC subaru dccd wiring diagram
DCCD Controller - LDperformance subaru dccd wiring diagram
Wiring Guide: 06 WRX Sedan with Auto AC/HVAC subaru dccd wiring diagram
click here for 2005 Legacy GT ECU pinout - Subaru Legacy ... subaru dccd wiring diagram
Introducing the new DDS3-v8 - Page 9 - NASIOC subaru dccd wiring diagram
Surrealmirage - Subaru Legacy Swap Electrical info & notes subaru dccd wiring diagram
Reverse light switch on 6MT - NASIOC subaru dccd wiring diagram
Restrictor Pill - What it is and why you need it. - Page 2 ... subaru dccd wiring diagram
3 synchro gear box, no reverse lights : MGB & GT Forum ... subaru dccd wiring diagram

Subaru Dccd Wiring Diagram


Please create a FREE ACCOUNT to continue reading or download !

Start Your FREE Month!!