E39 Bmw Business Cd Wiring Diagram

e39 bmw business cd wiring diagram
Radio CD Professional - BMW E81/E82/E87/E88/E90/E91/92/E93 ... e39 bmw business cd wiring diagram
BMW e46 professional cd - YouTube e39 bmw business cd wiring diagram
BM54 for Old connection (replacement for BM24) - Xoutpost.com e39 bmw business cd wiring diagram
OEM navigation upgrade-Hopefully a how-to guide. - Page 2 ... e39 bmw business cd wiring diagram
bmw e60 android head unit Archives - Professional blog for ... e39 bmw business cd wiring diagram
Yatour Bluetooth Car Adapter For Bmw Rover 75 17-Pin E36 ... e39 bmw business cd wiring diagram
DIY: BMW Radio Removal - YouTube e39 bmw business cd wiring diagram
MINI Car Radio Stereo Audio Wiring Diagram Autoradio ... e39 bmw business cd wiring diagram
Why there is a resistor and a capacitor in this AUX cable ... e39 bmw business cd wiring diagram
BMW e46 Install for Amp / Sub - 330 328 325 323 320 318 ... e39 bmw business cd wiring diagram
BMW radio business replacement 1 series E87 - YouTube e39 bmw business cd wiring diagram
DIY Wiring and Adding a Subwoofer in a BMW E46 - YouTube e39 bmw business cd wiring diagram
BMW e60 5 series AUX audio ipod install DIY - YouTube e39 bmw business cd wiring diagram
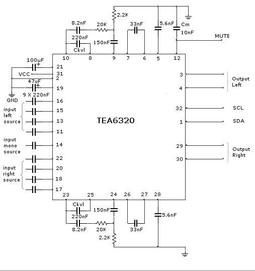
world technical: Multichannel Audio Selector and Volume ... e39 bmw business cd wiring diagram
Complete list of stock E39 antennas, where are they ... e39 bmw business cd wiring diagram
Audi Car Radio Stereo Audio Wiring Diagram Autoradio ... e39 bmw business cd wiring diagram
Picture & amperage & description of every single fuse ... e39 bmw business cd wiring diagram
Car Stereo Help - Wire Color Code - Wire Diagrams and Wire ... e39 bmw business cd wiring diagram
BMW E46 TRANSMISSION GEAR SHIFTER CABLE REMOVAL ... e39 bmw business cd wiring diagram

E39 Bmw Business Cd Wiring Diagram


Please create a FREE ACCOUNT to continue reading or download !

Start Your FREE Month!!