Garrett Ace 250 Wiring Diagram

garrett ace 250 wiring diagram
Ace 150/250/350/Euro, Ace 200/300/400 - Search coils NEL garrett ace 250 wiring diagram
Garrett 8.5×11 ACE DD | MD-Hunter Blog garrett ace 250 wiring diagram
[DIAGRAM] Wiring Diagram Aprilia Rs 50 FULL Version HD ... garrett ace 250 wiring diagram
Digital Compass Circuit ~ electronic circuit diagram garrett ace 250 wiring diagram
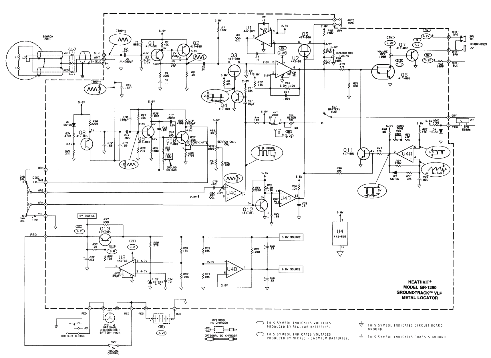
Metal Detector garrett ace 250 wiring diagram
ساخت فلزیاب حرفه ای پالسی | تولید و فروش انواع فلزیاب و ... garrett ace 250 wiring diagram
Solar Charger for my etrac - MDF Metal Detecting garrett ace 250 wiring diagram
Metal Detector Drawing at GetDrawings | Free download garrett ace 250 wiring diagram

Garrett Ace 250 Wiring Diagram


Please create a FREE ACCOUNT to continue reading or download !

Start Your FREE Month!!