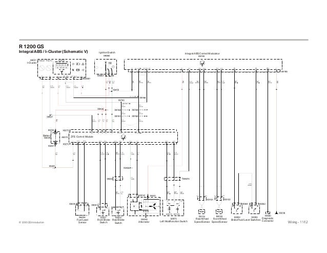
R1200c Wiring Diagram

r1200c wiring diagram
repair-manuals: BMW 318ti 1997 Electrical Repair r1200c wiring diagram
Terminal Designations r1200c wiring diagram
Willkommen bei xt500! r1200c wiring diagram
Schaltpläne für Boxer r1200c wiring diagram
6 POSITION ROTARY SWITCH WIRING DIAGRAM - Auto Electrical ... r1200c wiring diagram
Diagrama suzuki gn125 r1200c wiring diagram
Diagrama suzuki vx800 r1200c wiring diagram
Diagrama honda vtx1300 r1200c wiring diagram
R1150RT-P wiring removal - BMW Luxury Touring Community r1200c wiring diagram
Schema electrique bmw k1200lt | Schéma électrique, Bmw ... r1200c wiring diagram
BMW 4V ABS-integral Part 1- Część 1 wymiana płynu - brake ... r1200c wiring diagram
1994 Mazda RX-7 Power Door Lock Wiring Diagram | All about ... r1200c wiring diagram
BMW MOTORCYCLE PORTABLE GPS INSTALL - YouTube r1200c wiring diagram
DIY BMW E46 CCV Replacement, Crank Case Ventilation Valve ... r1200c wiring diagram
BMW Motorcycle ABS-II Reset - YouTube r1200c wiring diagram
VW Jetta, Golf, GTI Service Manual Volkswagen Jetta 1999 ... r1200c wiring diagram
1995 NAS VIN decoding r1200c wiring diagram
BMW BMW R850C/R 850 C Avantgarde - Moto.ZombDrive.COM r1200c wiring diagram
How to locate the Diagnostic connector on your BMW ... r1200c wiring diagram
How To Read VIN Number On Your Land Rover Vehicle r1200c wiring diagram

R1200c Wiring Diagram


Please create a FREE ACCOUNT to continue reading or download !

Start Your FREE Month!!