Buick Grand National Fuse Box

buick grand national fuse box
I have a 87 buick GNX. I have no fuel pressure at the rail ... buick grand national fuse box
1980 Monte Carlo Fuse Box Diagram | GBodyForum - '78-'88 ... buick grand national fuse box
Fuse Box Location: Where Is the Fuse Box Located on a 97 ... buick grand national fuse box
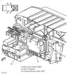
Can you provide a procedure for replacing a 1995 Buick ... buick grand national fuse box
HOT AIR TURBO/SFI buick grand national fuse box
Repair Guides buick grand national fuse box
Buick Lesabre 1995 Engine Compartment Electrical Circuit ... buick grand national fuse box
Is there a fuse for the air ride on my 1998 olds regency ... buick grand national fuse box
Ford F-53 F53 Motorhome Chassis (2015) – fuse box diagram ... buick grand national fuse box
Parte 1 -Cómo Probar el Módulo de Encendido y Sensor del ... buick grand national fuse box
1965 Buick Gran Sport Skylark GS engine specs, review ... buick grand national fuse box
Crutchfield Car Audio Installation Instructions ... buick grand national fuse box
Painless Wiring Kit - A Very
How To Replace a Power Window Motor 1979 Hurst Olds Update ... buick grand national fuse box
No power to passenger door - El Camino Central Forum ... buick grand national fuse box
Chevy S10 - Cable to Electric Cluster Tutorial - YouTube buick grand national fuse box
Wiring Diagrams buick grand national fuse box
Land Rover Discovery 2.7 2005 | Auto images and Specification buick grand national fuse box
Cadillac High Technology engine - Wikipedia buick grand national fuse box

Buick Grand National Fuse Box


Please create a FREE ACCOUNT to continue reading or download !

Start Your FREE Month!!