Lg Microwave Wiring Diagram

lg microwave wiring diagram
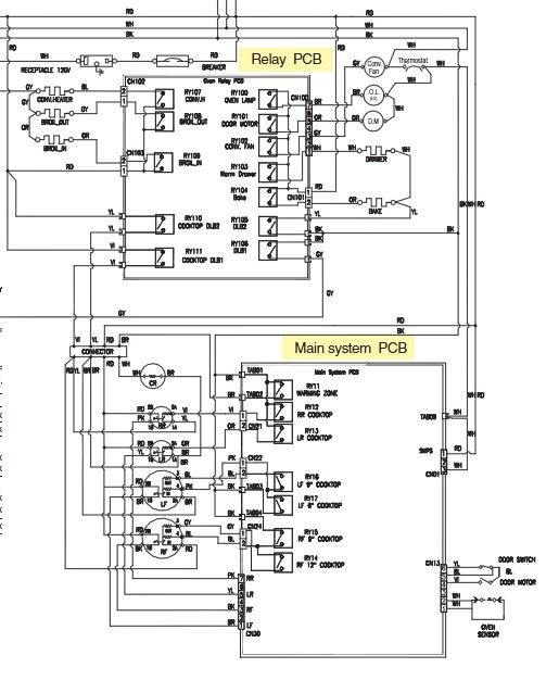
LG Range Microwave Oven Cook-top Service Manual and Repair ... lg microwave wiring diagram
GE Microwave Cavity Thermostat Replacement #WB20X10060 ... lg microwave wiring diagram
Repairing Quasar Microwave Sparking Inside - iFixit Repair ... lg microwave wiring diagram
Where is the LG microwave fuse located - Fixya lg microwave wiring diagram
In this video I show you how to reuse an old microwave ... lg microwave wiring diagram
Wiring Diagram : Dishwashers : MacSpares | Wholesale spare ... lg microwave wiring diagram
Oven Thermal Fuse (part #WP3196548 and others)- How To ... lg microwave wiring diagram
Grundig Service Manuals | Service Manual lg microwave wiring diagram
How to locate the thermal fuse in a GE Profile “Hydrowave ... lg microwave wiring diagram
Basic DB wiring - YouTube lg microwave wiring diagram
TV Service Repair Manuals - Schematics and Diagrams | Flat ... lg microwave wiring diagram
AC Fan Compressor Not Working - How to Repair / Replace ... lg microwave wiring diagram
Washer Door Latch Replacement - Samsung Washer Repair ... lg microwave wiring diagram
Aircon Installation : MacSpares | Wholesale spare parts ... lg microwave wiring diagram
How to test a washing machine motor lg microwave wiring diagram
MARS-2 40VA Control Transformer 50203 - 20pk Sale $180.95 lg microwave wiring diagram
Sub-Zero 511 Refrigerator Diagnostic – Not Cooling ... lg microwave wiring diagram
Where is my Model Number? | Appliance Aid lg microwave wiring diagram
Electrolux E30MO65GSSB User Manual | 9 pages lg microwave wiring diagram
RCD Wiring Installation In Distribution Board (Hindi ... lg microwave wiring diagram

Lg Microwave Wiring Diagram


Please create a FREE ACCOUNT to continue reading or download !

Start Your FREE Month!!