Spartan 6 Block Diagram

spartan 6 block diagram
$69 miniSpartan6+ Board with Xilinx Spartan 6 FPGA ... spartan 6 block diagram
USB-FPGA Module 1.2: Spartan 3 FPGA Board with USB 2.0 ... spartan 6 block diagram
GitHub - alialaei110/HDLab-FPGA-Development-Board: Open ... spartan 6 block diagram
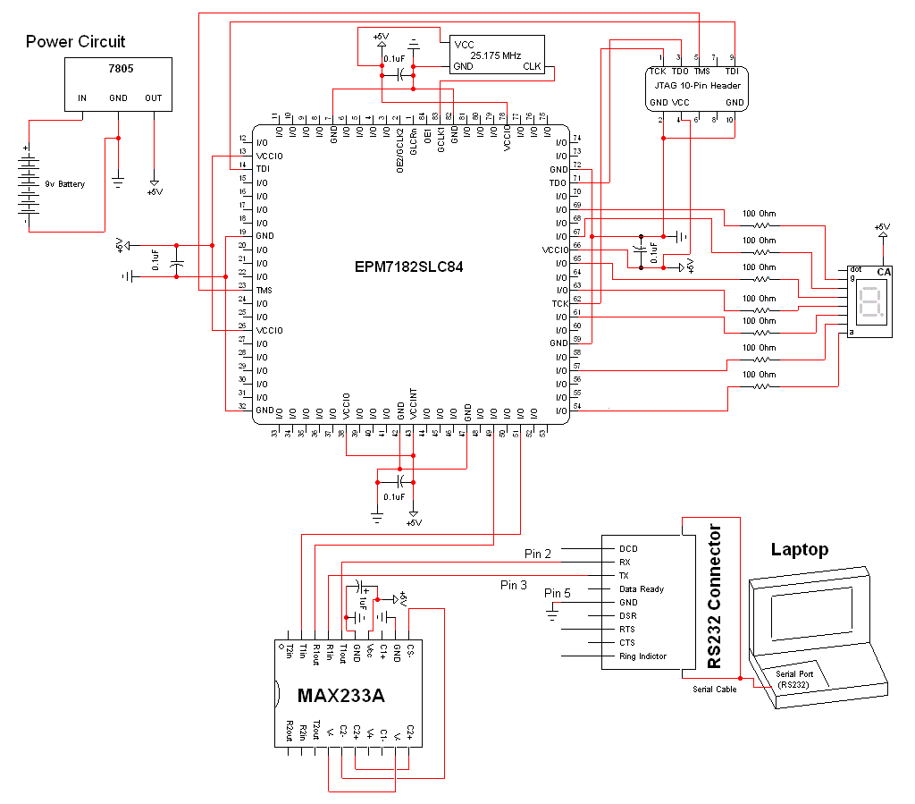
Implementacja portu szeregowego w układach programowalnych spartan 6 block diagram
Field Programmable Gate Array - Wikipedia spartan 6 block diagram
AR# 18329: Endpoint for PCI Express - What clock frequency ... spartan 6 block diagram
huge-minecraft-circle-chart_245609.jpg (820×829 ... spartan 6 block diagram
Ford Performance Mustang 5.0L 4V DOHC Aluminator Crate ... spartan 6 block diagram
Xilinx FPGA Based Surround View DA spartan 6 block diagram
Trac-Lok LSD Install spartan 6 block diagram
I have a 1989 Fleetwood southwind with a 454 motor. I've ... spartan 6 block diagram
Cadillac Escalade (2002) – fuse box diagram | Auto Genius spartan 6 block diagram
Chevrolet Suburban (2000) - fuse box diagram - Auto Genius spartan 6 block diagram
Hardware Portfolio | High-resolution IP Camera on i.MX27 ... spartan 6 block diagram
10: rear axle & torque tube | Small Ford Spares spartan 6 block diagram
Friday Truck Thermostat Part 2:- Thermostat Removal - YouTube spartan 6 block diagram

Spartan 6 Block Diagram


Please create a FREE ACCOUNT to continue reading or download !

Start Your FREE Month!!