Radio Wiring Diagram Sony Xplod

radio wiring diagram sony xplod
Sony Xplod Cdx-Gt520 Cd Mp3 WMA Car Stereo - Cdxgt520 ... radio wiring diagram sony xplod
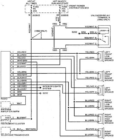
1992 Subaru Legacy Cruise Control System Compares Actual ... radio wiring diagram sony xplod
Sony Cdx Gt240 Wiring Diagram - Wiring Diagram And ... radio wiring diagram sony xplod
sony xplod cdx-gt710 headunit receiver car stereo - YouTube radio wiring diagram sony xplod
How to install a Sony CDX-GT420U car stereo - YouTube radio wiring diagram sony xplod
Discount Car Stereo > Radio Specific Wire Harness ... radio wiring diagram sony xplod
View topic: Radio messy wiring please help! – The Mk1 Golf ... radio wiring diagram sony xplod
Sony CDX-GT57UP CD/MP3/USB Car Stereo w/ Pandora & iPod ... radio wiring diagram sony xplod
Head Unit - 2 Amps - Sub - Wiring Help needed - AVS Forum ... radio wiring diagram sony xplod
Car Stereo Wire Color Codes - Toyota Wire Diagrams and ... radio wiring diagram sony xplod
Renault Megane Wiring Diagram Pdf radio wiring diagram sony xplod
BMW 328i Radio Cassette CD and 6 Speakers Audio System ... radio wiring diagram sony xplod
Car Application Diagrams | AudioControl radio wiring diagram sony xplod
Cableado del estereo radio wiring diagram sony xplod
Power Window Install using Factory Switches and Bezels ... radio wiring diagram sony xplod
DIY - Increasing / Improving the output of the OEM Bose ... radio wiring diagram sony xplod
DIY Renault steering control adapter for pioneer - YouTube radio wiring diagram sony xplod
7 Best 6.5 Speakers for Bass : Loudest 6 1/2 Car Speakers ... radio wiring diagram sony xplod

Radio Wiring Diagram Sony Xplod


Please create a FREE ACCOUNT to continue reading or download !

Start Your FREE Month!!