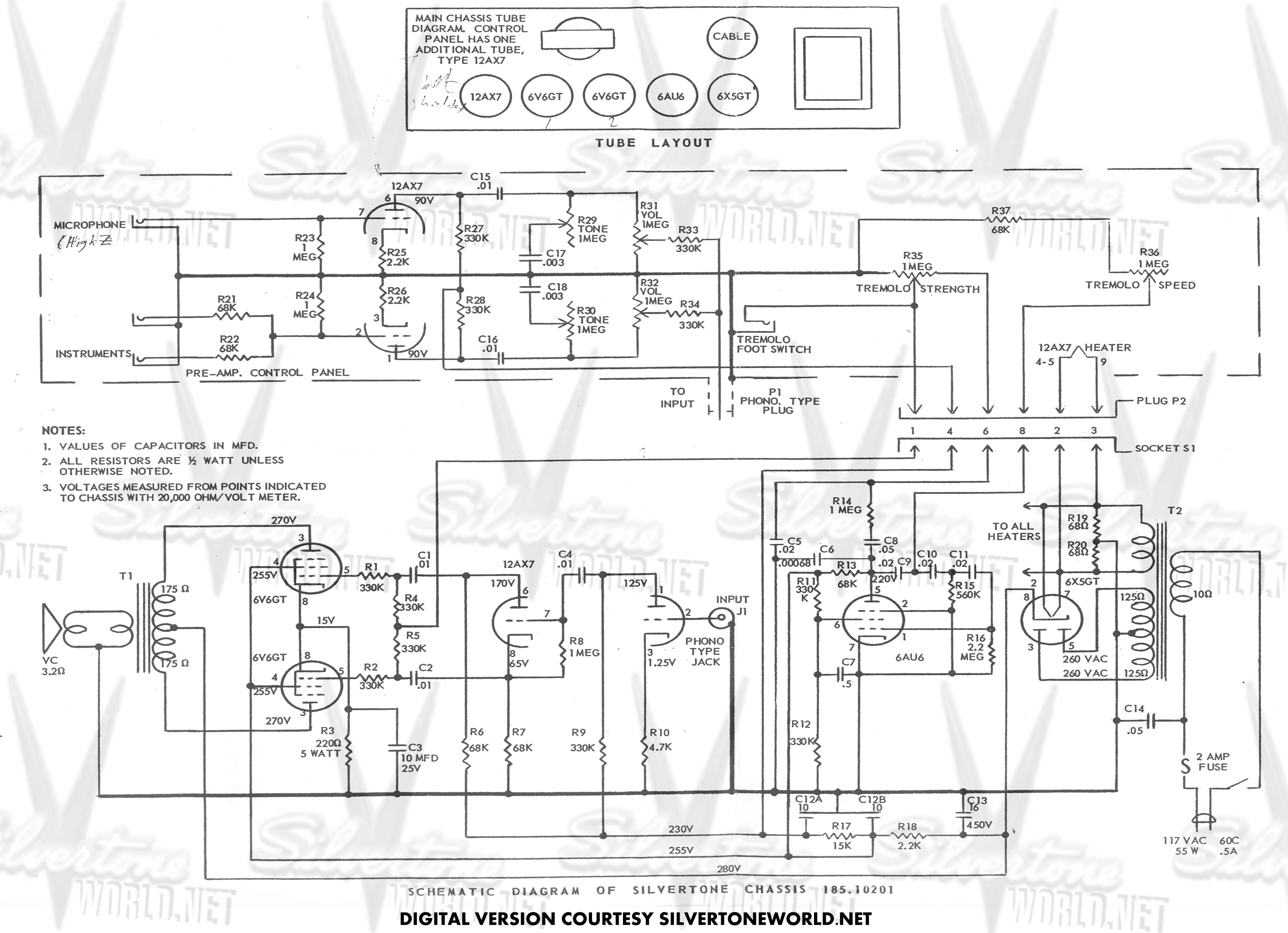
Silvertone 1457 Wiring Diagram

silvertone 1457 wiring diagram
Scary Halloween Amp - Silvertone 1448 - Help! | Telecaster ... silvertone 1457 wiring diagram
60's VINTAGE DANELECTRO CONCENTRIC POTS Stacked SILVERTONE ... silvertone 1457 wiring diagram
SILVERTONE 1449 1457 SCH Service Manual download ... silvertone 1457 wiring diagram
Montecristone CBG wiring diagram - Cigar Box Nation silvertone 1457 wiring diagram
Wiring Diagram For Silvertone Fastback silvertone 1457 wiring diagram
Wiring Diagram For Silvertone Fastback silvertone 1457 wiring diagram
Wiring Diagram For Silvertone Fastback silvertone 1457 wiring diagram
New Wiring Diagram for Silvertone Guitar #diagram # ... silvertone 1457 wiring diagram
1448 Silvertone with amp in case problems. : Guitar silvertone 1457 wiring diagram
SILVERTONE 1481 Service Manual download, schematics ... silvertone 1457 wiring diagram
Wiring Diagram For Silvertone Fastback silvertone 1457 wiring diagram
Silvertone World - Division 57 - Schematics, Manuals and ... silvertone 1457 wiring diagram
danelectro bass forum - Google Search | Cigar box guitar ... silvertone 1457 wiring diagram
Wiring Diagram For Silvertone Fastback silvertone 1457 wiring diagram
SILVERTONE 1483 Service Manual download, schematics ... silvertone 1457 wiring diagram
Silvertone # 1473 tube question | Telecaster Guitar Forum silvertone 1457 wiring diagram
Kenwood Kvt 911dvd Wiring Diagram silvertone 1457 wiring diagram
SILVERTONE 1392 SCH Service Manual download, schematics ... silvertone 1457 wiring diagram
SILVERTONE 1474 Service Manual free download, schematics ... silvertone 1457 wiring diagram
Sears Roebuck & Co. 4784 | Antique Electronic Supply silvertone 1457 wiring diagram
Wiring Diagram For Silvertone Fastback silvertone 1457 wiring diagram
Danelectro Wiring Diagram silvertone 1457 wiring diagram
Marshall Mg50dfx Wiring Diagram silvertone 1457 wiring diagram
Sears Roebuck & Co. R101, Late | Antique Electronic Supply silvertone 1457 wiring diagram
Harmony Jupiter wiring silvertone 1457 wiring diagram
Sears, Roebuck & Co., Silvertone
Silvertone World - Division 57 - Schematics, Manuals and ... silvertone 1457 wiring diagram
Wiring Diagram Guitar | Les paul, Wire silvertone 1457 wiring diagram
Silvertone World - Division 57 - Schematics, Manuals and ... silvertone 1457 wiring diagram
Scag Turf Tiger Wiring Diagram silvertone 1457 wiring diagram
Danelectro Wiring Diagram silvertone 1457 wiring diagram
Harmony Jupiter wiring silvertone 1457 wiring diagram
Sears, Roebuck & Co.; Chicago manufacturer in USA, Model typ silvertone 1457 wiring diagram
Silvertone World - Division 57 - Schematics, Manuals and ... silvertone 1457 wiring diagram
Silvertone World - Division 57 - Schematics, Manuals and ... silvertone 1457 wiring diagram

Silvertone 1457 Wiring Diagram


Please create a FREE ACCOUNT to continue reading or download !

Start Your FREE Month!!