Nurse Call Wiring Diagram

nurse call wiring diagram
Staff Stations | Cornell Communications Emergency Call Systems nurse call wiring diagram
Emergency Stations - Pull String with auxiliary contact ... nurse call wiring diagram
TEKTONE PK543A Intercom Amplifier nurse call wiring diagram
Light Controller | Cornell Communications Emergency Call ... nurse call wiring diagram
VoiceGate - Computer Telephony Innovations nurse call wiring diagram
Pull Cord Nurse Emergency Call System with LED Call Placed ... nurse call wiring diagram
Nurse Call Station Cornell E-104-1 Replacement Pull Cord ... nurse call wiring diagram
Making the most of your Intercall Nurse Call system - YouTube nurse call wiring diagram
Heathkit W5M Amplifier nurse call wiring diagram
Rauland Responder 5 System - HALCO - YouTube nurse call wiring diagram
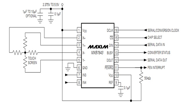
How to Interface and Program Touch Screen Controller ... nurse call wiring diagram
Handicap / Elderly Wireless Toilet Emergency Alarm - Call ... nurse call wiring diagram
Area of Refuge Emergency Communication System Design ... nurse call wiring diagram
Aiphone JP Series: Handset Video Intercom with 7-Inch ... nurse call wiring diagram
Homemade small telephone PBX circuit diagram under ... nurse call wiring diagram
Archive through August 14, 2006 - Anyone Need Wiring Help ... nurse call wiring diagram
Farrah Fawcett Haircut Diagram nurse call wiring diagram
FORBIX SEMICON ⋆ Wireless automatic remote motor control ... nurse call wiring diagram

Nurse Call Wiring Diagram


Please create a FREE ACCOUNT to continue reading or download !

Start Your FREE Month!!