Wiring Heil Diagram Furnace L881756582

wiring heil diagram furnace l881756582
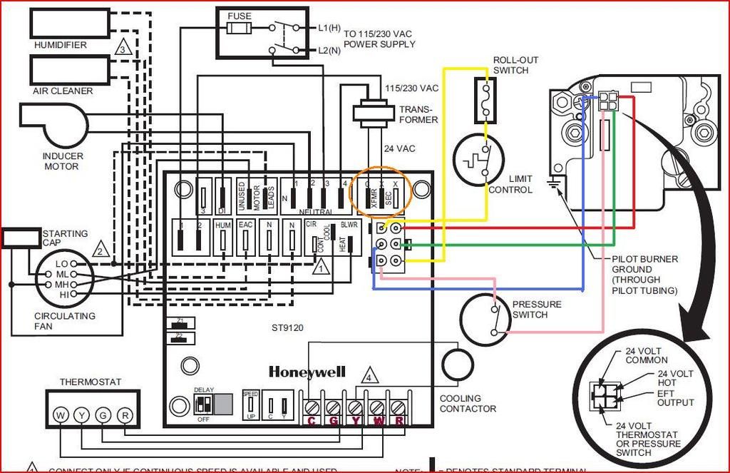
Wiring Diagram For Heil Furnace wiring heil diagram furnace l881756582
Heil Furnace Diagram wiring heil diagram furnace l881756582
I have a Heil 80 gas furnace. It recently stopped heating ... wiring heil diagram furnace l881756582
Wiring Diagram For Heil Furnace wiring heil diagram furnace l881756582
Heil Heat Pump Wiring Diagram | Free Wiring Diagram wiring heil diagram furnace l881756582
SOLVED: Manual For Heil Gas/Pack Model# 867.815001 - Fixya wiring heil diagram furnace l881756582
Heil Furnace Wiring Diagram wiring heil diagram furnace l881756582
Wiring Diagram For Heil Furnace wiring heil diagram furnace l881756582
Heil Heat Pump Wiring Diagram | Free Wiring Diagram wiring heil diagram furnace l881756582
I have a heil N9MP2 that was having a condensate leak I ... wiring heil diagram furnace l881756582
Good Evening, I have a Tempstar NUGK100DH08 furnace with a wiring heil diagram furnace l881756582
Heil Furnace - HVAC - DIY Chatroom Home Improvement Forum wiring heil diagram furnace l881756582
Heil Heat Pump Wiring Diagram | Free Wiring Diagram wiring heil diagram furnace l881756582
Nordyne Ac Wiring Diagram Gallery wiring heil diagram furnace l881756582
Heil Heat Pump Wiring Diagram wiring heil diagram furnace l881756582
Heil Furnace Wiring Diagram wiring heil diagram furnace l881756582
I need a wiring diagram for the blower relay on a Heil ... wiring heil diagram furnace l881756582
Heil Furnace Fan Never Stops... - HVAC - DIY Chatroom Home ... wiring heil diagram furnace l881756582
Heil Thermostat Model # Haxc004tw01 Wiring Diagram wiring heil diagram furnace l881756582
coleman 7900 gas furnace wiring | coleman furnace wiring ... wiring heil diagram furnace l881756582
Nordyne Ac Wiring Diagram Gallery wiring heil diagram furnace l881756582
Heil Furnace Issue - DoItYourself.com Community Forums wiring heil diagram furnace l881756582
Ducane Furnace Wiring Diagram - Wiring Diagram And ... wiring heil diagram furnace l881756582
Complete Hanging Furnace Wiring Diagram Furnace Thermostat ... wiring heil diagram furnace l881756582
Heil 5000 Blower Motor Board Wiring Diagram wiring heil diagram furnace l881756582
Nordyne Air Handler Wiring Diagram | Free Wiring Diagram wiring heil diagram furnace l881756582
Gallery Of Gas Furnace Wiring Diagram Sample wiring heil diagram furnace l881756582
Heil Heat Pump Wiring Diagram | Free Wiring Diagram wiring heil diagram furnace l881756582
Blower Fan won't start in Miller furnace - DoItYourself ... wiring heil diagram furnace l881756582
Heil 9MPV Variable Speed Furnace Settings - DoItYourself ... wiring heil diagram furnace l881756582
Tempstar Furnace Wiring Diagram - Wiring Diagram And ... wiring heil diagram furnace l881756582
ICP HEIL OIL-FIRED BASEMENT FURNACE Parts | Model DLO844C ... wiring heil diagram furnace l881756582
Nice 12 Furnace To Thermostat Wiring Diagram Photos - Michka wiring heil diagram furnace l881756582
Heil gas furnace- no hot surface ignitor or heat ... wiring heil diagram furnace l881756582
Gas Furnace Wiring Diagram Download wiring heil diagram furnace l881756582

Wiring Heil Diagram Furnace L881756582


Please create a FREE ACCOUNT to continue reading or download !

Start Your FREE Month!!