Lotus Elan S4 Wiring Diagram

lotus elan s4 wiring diagram
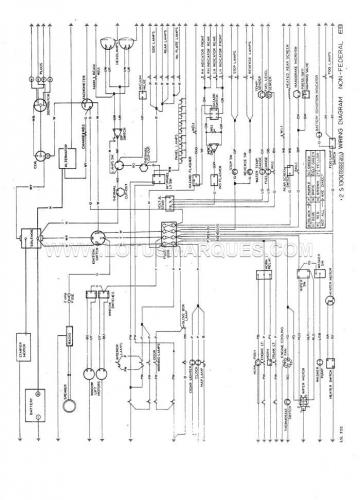
Wiring diagram for Lotus Elan Series 4 lotus elan s4 wiring diagram
Wiring diagram for Lotus Elan Series 4 lotus elan s4 wiring diagram
Lotus Elan +2 heater motor and ballast resistor wiring lotus elan s4 wiring diagram
Lotus Elan+2 S130 wiring diagram, DOM, alternator lotus elan s4 wiring diagram
Electric chargecooler pump for 1990 Esprit? - LotusTalk ... lotus elan s4 wiring diagram
Poulan PP4218AV Gas Saw Type 1, 4218AV-Poulan Pro Parts ... lotus elan s4 wiring diagram
The Lotus Esprit Fact File - Refilling the Chargecooling ... lotus elan s4 wiring diagram
S4 on front LED DRLs, sidelights and indicators (and Elan ... lotus elan s4 wiring diagram
91 Miata. Frequently when I turn the lights on the left ... lotus elan s4 wiring diagram
Twin cam tensioner SOLD : Parts for Sale by LotusElan.net lotus elan s4 wiring diagram
CCK Historic | Lancia Fulvia 1600 HF lotus elan s4 wiring diagram

Lotus Elan S4 Wiring Diagram


Please create a FREE ACCOUNT to continue reading or download !

Start Your FREE Month!!