Pt100 Rtd Diagram

pt100 rtd diagram
So, What is an RTD?: Specifications pt100 rtd diagram
PT1000 - konkrete Schaltung - Mikrocontroller.net pt100 rtd diagram
Adafruit PT100 RTD Temperature Sensor Amplifier - MAX31865 ... pt100 rtd diagram
Pt100 and JPt100 Resistance Thermometer | FAQ | Singapore ... pt100 rtd diagram
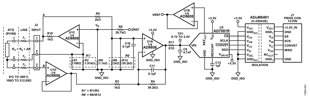
CN0337 Circuit Note | Analog Devices pt100 rtd diagram
TEMPCO Terminal Block RTD Temperature Probe, 0° to 392 ... pt100 rtd diagram
YTA110/310/320 Temperature Transmitter | Yokogawa America pt100 rtd diagram
Overview | Adafruit 1-Wire Thermocouple Amplifier ... pt100 rtd diagram
Temperature coefficient of resistance for conductors (i.e ... pt100 rtd diagram
Load Cell Transmitter, Load Cell & Microvolt Transmitter ... pt100 rtd diagram
File:Norethisterone.svg - Wikimedia Commons pt100 rtd diagram
Guide vidéo: Changez vous-même un thermostat sur votre ... pt100 rtd diagram
How the 3 wire electrical system works - YouTube pt100 rtd diagram
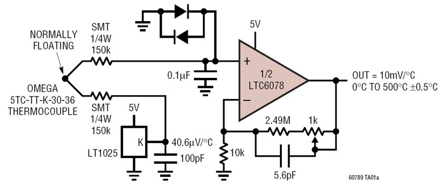
Type K Thermocouple Signal Conditioner with ±190V ... pt100 rtd diagram
Pin on ESP8266 pt100 rtd diagram
model aircraft: Controls and instrumentation - Turbine gas ... pt100 rtd diagram
Siemens PLC-S71200 Analog Input - Siemens ... pt100 rtd diagram
File:Auxostat schematic.svg - Wikimedia Commons pt100 rtd diagram
Adafruit AMG8833 IR Thermal Camera Breakout ID: 3538 - $39 ... pt100 rtd diagram
This chart shows how temperature ranges vary by age and by ... pt100 rtd diagram

Pt100 Rtd Diagram


Please create a FREE ACCOUNT to continue reading or download !

Start Your FREE Month!!