Dimarzio Hsh Wiring Diagram

dimarzio hsh wiring diagram
ibanez hsh wiring dimarzio - Google-haku | Diagrama dimarzio hsh wiring diagram
Pickups wiring: HSH autosplit with a standard 5-way switch ... dimarzio hsh wiring diagram
H-S-H-1Vol-1Ton-5Pos. | Pastrana Guitars dimarzio hsh wiring diagram
HSH Wiring Mod to HH/SSS – ALLOUTPUT.com dimarzio hsh wiring diagram
Dimarzio Humbuckers: Series vs Parallel Wiring - YouTube dimarzio hsh wiring diagram
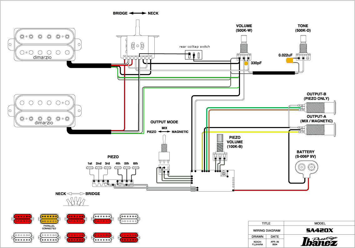
IbanezのギターSA420のピックアップ交換&配線図-一応メモしておきました dimarzio hsh wiring diagram
Guitar H/s Wiring Diagram With Mini Toggle Switch dimarzio hsh wiring diagram
Index of /music/IbanezCatalog/IbanezWiring dimarzio hsh wiring diagram
DiMarzio Steve Vai Evolution Humbucker Set Black ... dimarzio hsh wiring diagram
7 Best Guitar Wiring Diagrams images | Diagram, Guitar ... dimarzio hsh wiring diagram
Valuable Ibanez Jem Pickup Wiring Diagram Coil Split With ... dimarzio hsh wiring diagram
Calibrated PAIR Slick Old School Black WOOD BOXED dimarzio hsh wiring diagram
18 best images about Pickups on Pinterest | Logos, Zakk ... dimarzio hsh wiring diagram
920D Custom 72TELE-TL-SO '72 Tele Thinline Wiring Harness ... dimarzio hsh wiring diagram
Wiring Diagrams by Lindy Fralin - Guitar And Bass Wiring ... dimarzio hsh wiring diagram
Wiring Diagram : 1 Pickup 1 Volume 1 Tone. 1 Pickup 1 ... dimarzio hsh wiring diagram
920D Custom LP50+T Upgraded Replacement Les Paul Wiring ... dimarzio hsh wiring diagram
Push Pull Pots - How They Work, Wiring Mods, and More! dimarzio hsh wiring diagram
2nd 770 wireing qustion. - Jemsite dimarzio hsh wiring diagram
Diagrams - Fender N3 Noiseless S1 Switch – 920D Custom dimarzio hsh wiring diagram

Dimarzio Hsh Wiring Diagram


Please create a FREE ACCOUNT to continue reading or download !

Start Your FREE Month!!