528 Bmw Wiring Diagrams

528 bmw wiring diagrams
repair-manuals: BMW 528e 1983 Electrical Troubleshooting 528 bmw wiring diagrams
Tag For Diagram of 130 i bmw fuse box : Bmw E28 5 Series ... 528 bmw wiring diagrams
wiring diagrams - E28 1982-1988 - BMW 5 Series Owners Board 528 bmw wiring diagrams
Fuel Pump wiring help 528 bmw wiring diagrams
Tag For Diagram of 130 i bmw fuse box : Sea Doo Jet Ski ... 528 bmw wiring diagrams
Denso Common Rail Isuzu 4hk1 6hk1 Service Manual 528 bmw wiring diagrams
BMW E60 5-Series Front Seat Belt Buckle Replacement (2003 ... 528 bmw wiring diagrams
20090501(金)ベントレーのマニュアルが届いた ( 自動車 ) - BMW 初期型E39(528)のメンテ ... 528 bmw wiring diagrams
Radiator Fan Assembly - BMW F650, G650 ; 17 42 8 528 784 ... 528 bmw wiring diagrams
BMW E36 3-Series Camshaft Position Sensor Replacement ... 528 bmw wiring diagrams
Speedometer Wiring Diagram - Wiring Diagram And Schematic ... 528 bmw wiring diagrams
How do i know if i have dsp? 528 bmw wiring diagrams
2011 Ford Edge Junction Relay Fuse Box Diagram | Circuit ... 528 bmw wiring diagrams
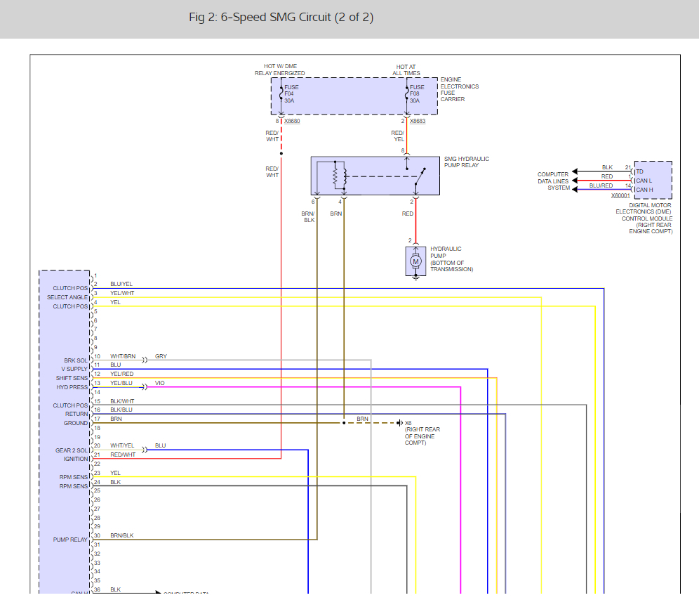
Transmission Malfunction: Cannot Move Gears. It Is Stuck ... 528 bmw wiring diagrams
PCM (Powertrain Control Module) 528 bmw wiring diagrams

528 Bmw Wiring Diagrams


Please create a FREE ACCOUNT to continue reading or download !

Start Your FREE Month!!