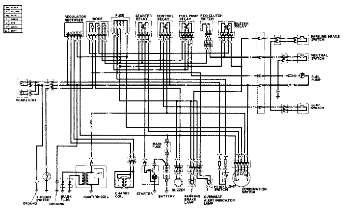
Honda 4518 Wiring Diagram

honda 4518 wiring diagram
You meet the nicest people on a Honda - Garden Tractor ... honda 4518 wiring diagram
Honda riding lawn mower honda 4518 wiring diagram
Honda H4518H HSA/A LAWN TRACTOR, JPN, VIN# MZAT-1000001 TO ... honda 4518 wiring diagram
CT70 Wiring Diagrams - Vintage Honda CT70 motorcycles. honda 4518 wiring diagram
Dixon 4518K (2004) Parts Diagram for CHASSIS honda 4518 wiring diagram
Honda H4514H HSA/B LAWN TRACTOR, JPN, VIN# MZAS-2000001 TO ... honda 4518 wiring diagram
Dixon ZTR 4518K (2002) Parts Diagram for MOWER DECK 50
Honda 4514 Lawn Tractor Repair Manual | Reviewmotors.co honda 4518 wiring diagram
Dixon ZTR 4515B (2003) Parts Diagrams honda 4518 wiring diagram
Honda Cg125 Cdi Reviews - Online Shopping Honda Cg125 Cdi ... honda 4518 wiring diagram
Brand New Engines | Briggs & Stratton Vanguard Horizontal ... honda 4518 wiring diagram

Honda 4518 Wiring Diagram


Please create a FREE ACCOUNT to continue reading or download !

Start Your FREE Month!!