Tv To Vga Schematic

tv to vga schematic
VGA Video Monitor Transmitter tv to vga schematic
SCART Hunter: UMSA (Ultimate SCART Adapter) review tv to vga schematic
VGA Hardware - OSDev Wiki tv to vga schematic
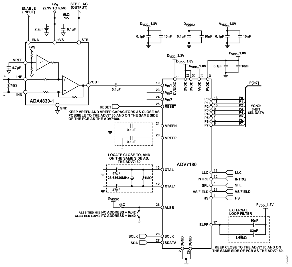
CN0263 Circuit Note | Analog Devices tv to vga schematic
Sony DCR-PC110E A/V (jack 4pin to 3 RCA) cable pinout ... tv to vga schematic
Hooking Up Home Theatre - Technical Article tv to vga schematic
MMI AV Cable 9 PIN S VIDEO to 3 RCA COMPONENT FOR TV ... tv to vga schematic
Pin-out DVI-HDMI converter #cablediy #HDMI-DVI | Sony led ... tv to vga schematic
Updates V56 V59 Universal LCD TV driver board controller ... tv to vga schematic
Connecting Multiple Monitors to HP Computers in Windows 8 ... tv to vga schematic
How to turn any laptop screen into a monitor/ Review ... tv to vga schematic
Erta tv to vga schematic
Apple's Lightning Digital AV Adapter Has An Incredible ... tv to vga schematic
HOW TO Make a NEARLY invincible iPhone 5/6 iPad Lightning ... tv to vga schematic
S-Video Balum for RJ45 Network Cable: 4 Steps tv to vga schematic
8-bit computer from scratch. | The making of… tv to vga schematic
Dell Inspiron 15 (3521 / 5521) Motherboard Replacement ... tv to vga schematic
Intel Desktop Board DG41MJ Motherboard - YouTube tv to vga schematic
How to connect CCTV Camera's to the Monitor Using DVR ... tv to vga schematic
Bebe Rexha 2018 z0 HD Wallpapers tv to vga schematic

Tv To Vga Schematic


Please create a FREE ACCOUNT to continue reading or download !

Start Your FREE Month!!