Honda Nx 250 Wiring Diagram

honda nx 250 wiring diagram
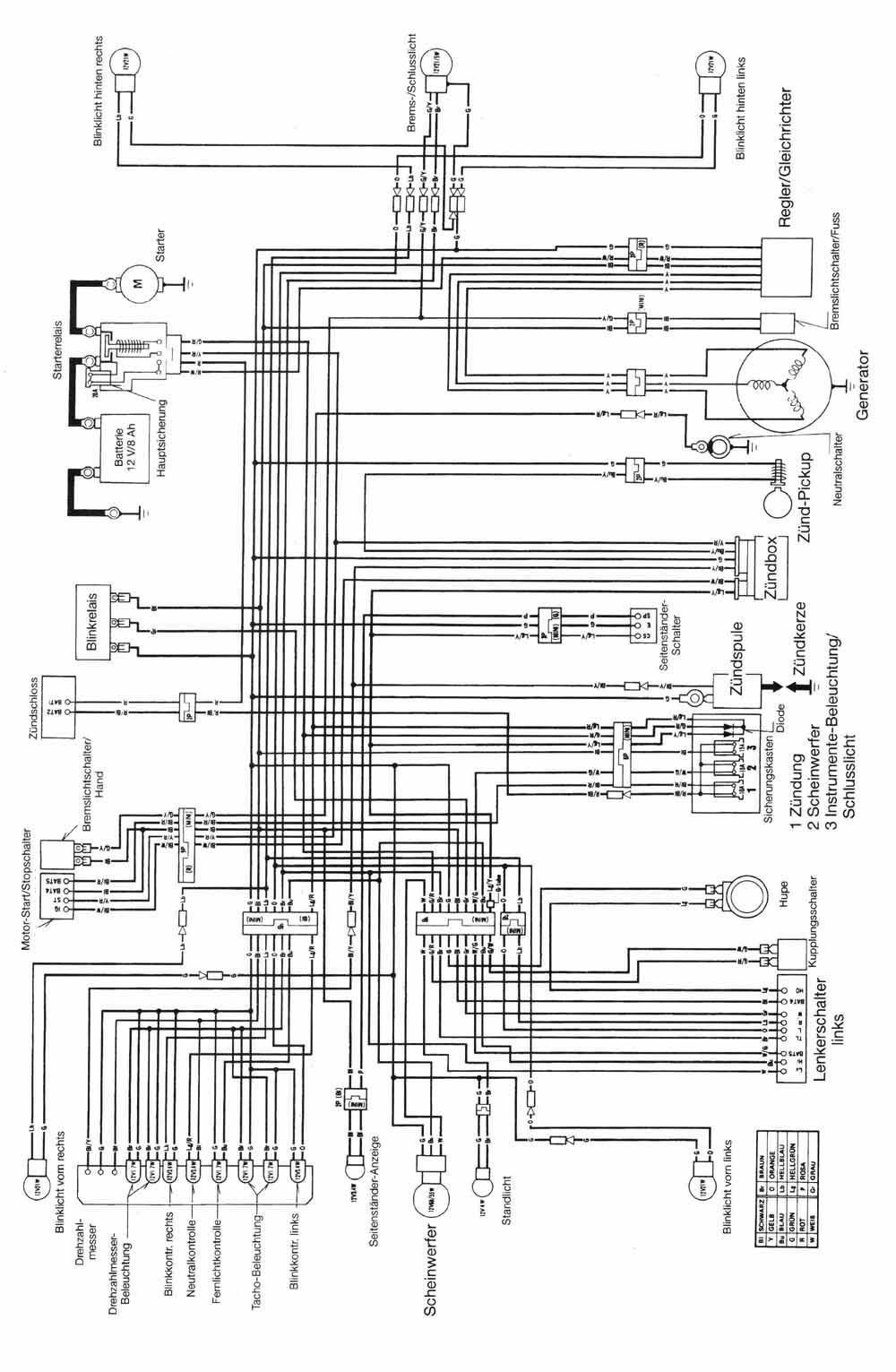
Honda-Dominator honda nx 250 wiring diagram
1988-1990 Honda NX125 Color Wiring Diagram honda nx 250 wiring diagram
Wiring Diagram for RD08. honda nx 250 wiring diagram
Diagrama honda cb1 honda nx 250 wiring diagram
Diagrama kawasaki kx450f honda nx 250 wiring diagram
Honda NT 650 – Wikipedia honda nx 250 wiring diagram
Honda Nx50m Express Sr 1981 Usa Handlebar / Switch / Cable ... honda nx 250 wiring diagram
Diagrama honda fmx650 honda nx 250 wiring diagram
Diagrama yamaha xv535 honda nx 250 wiring diagram
Honda Obd2 Wiring Diagram at Manuals Library honda nx 250 wiring diagram
Firefox loopt niet. Vonkt nauwelijks honda nx 250 wiring diagram
how to replace timing chain on honda XL250 - part 1 of 2 ... honda nx 250 wiring diagram
Documents Honda honda nx 250 wiring diagram
Le Manchack TEAM... Plaisir de la Moto en LORRAINE honda nx 250 wiring diagram
Iconic Eighties Bikes From Film and TV - Bikesure Insurance honda nx 250 wiring diagram
probleme demarrage à distance sur fazer - et DEMARRAGE ... honda nx 250 wiring diagram
Линейный вход на магнитолу TOYOTA honda nx 250 wiring diagram
Racing Cafè: Honda CB 550 1977 by Lossa Engineering honda nx 250 wiring diagram
1993 Nissan Avenir (w10) – pictures, information and specs ... honda nx 250 wiring diagram

Honda Nx 250 Wiring Diagram


Please create a FREE ACCOUNT to continue reading or download !

Start Your FREE Month!!