Thor Motor Coach Wiring Diagram

thor motor coach wiring diagram
Thor Class A Motorhomes | RV Models | Specifications ... thor motor coach wiring diagram
1999 Discovery Freightliner Motorhome 5.9 Engine Ecm ... thor motor coach wiring diagram
Converter Fuse Box Location - YouTube thor motor coach wiring diagram
No heat...still - Sunline Coach Owner's Club thor motor coach wiring diagram
What You Need To Know About Your RV Electrical System ... thor motor coach wiring diagram
RV.Net Open Roads Forum: Tech Issues: Help me decipher my ... thor motor coach wiring diagram
Class C Motorhome | Thor Motor Coach thor motor coach wiring diagram
Fuse Panel | This is what the fuse panel looks with the ... thor motor coach wiring diagram
Resolved!! -- Electrical Problem -- Slide Out Will Not ... thor motor coach wiring diagram
2018 New Thor Motor Coach Chateau Citation Sprinter 24SR ... thor motor coach wiring diagram
Atwood Furnace Model 8535-IV Parts | pdxrvwholesale thor motor coach wiring diagram
I have a 1995 Fleetwood Pace Arrow with a Ford 460 motor ... thor motor coach wiring diagram
Atwood Furnace Model 8525-II Parts | pdxrvwholesale thor motor coach wiring diagram
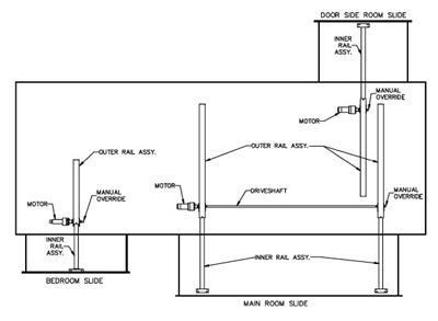
The RV Doctor: Manual Override for RV Slideout Room thor motor coach wiring diagram
Solar panels - Thor Forums thor motor coach wiring diagram
RV Motorhome Camper Gulf Stream Ultra Coach Campervan Ford ... thor motor coach wiring diagram
Full Specs for 2017 Coachmen Chaparral 336TSIK RVs | RVUSA.com thor motor coach wiring diagram
Auto HVAC Vacuum Repair - YouTube thor motor coach wiring diagram
Atwood Furnace 8525-I Parts | pdxrvwholesale thor motor coach wiring diagram
Atwood Furnace Model 8520-IV Parts | pdxrvwholesale thor motor coach wiring diagram

Thor Motor Coach Wiring Diagram


Please create a FREE ACCOUNT to continue reading or download !

Start Your FREE Month!!