Hdmi To Lvds Wiring Diagram

hdmi to lvds wiring diagram
iMX6 Accessories - iMX6 Rex Projects hdmi to lvds wiring diagram
Low voltage differential signaling - Wikipedia hdmi to lvds wiring diagram
Aliexpress.com : Buy HDMI 30P LVDS LED LCD Controller ... hdmi to lvds wiring diagram
lcd - LVDS 30 pin cable confusion - Electrical Engineering ... hdmi to lvds wiring diagram
CN0256 実用回路およびリファレンス回路情報 | アナログ・デバイセズ hdmi to lvds wiring diagram
Low-voltage differential signaling - Wikipedia hdmi to lvds wiring diagram
MCIMX6Q-SDB Reference Design | Application Processor ... hdmi to lvds wiring diagram
HDMI-VGA Reference Design | Audio Interfaces | Arrow.com hdmi to lvds wiring diagram
I2S to HDMI I2S Module Board - Audiophonics hdmi to lvds wiring diagram
DIY HDMI Cable Parts - Straight HDMI Plug Adapter Australia hdmi to lvds wiring diagram
FPGA-based USB3 video bridge can repair the PC-HDMI disconnect hdmi to lvds wiring diagram
Using ROVATool with an FTDI FT232H Based board | Matt's ... hdmi to lvds wiring diagram
Esquema Tv Aoc Lg Philips Samsung Sharp Sony : Sem A Fonte ... hdmi to lvds wiring diagram
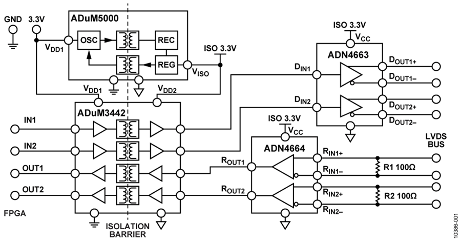
CN0239 Circuit Note | Analog Devices hdmi to lvds wiring diagram
CN0296 Circuit Note | Analog Devices hdmi to lvds wiring diagram
Why does Apple's Lightning to HDMI adapter have an ARM ... hdmi to lvds wiring diagram
Manual de serviço televisor PHILIPS 19PFL5522D-12 chassis ... hdmi to lvds wiring diagram
Raspberry Pi 7” Touchscreen Display | element14 ... hdmi to lvds wiring diagram
Driving FPDLink Displays hdmi to lvds wiring diagram
XBee WiFi Hookup Guide - learn.sparkfun.com hdmi to lvds wiring diagram

Hdmi To Lvds Wiring Diagram


Please create a FREE ACCOUNT to continue reading or download !

Start Your FREE Month!!