Gold Star Microwave Parts Diagrams Wiring

gold star microwave parts diagrams wiring
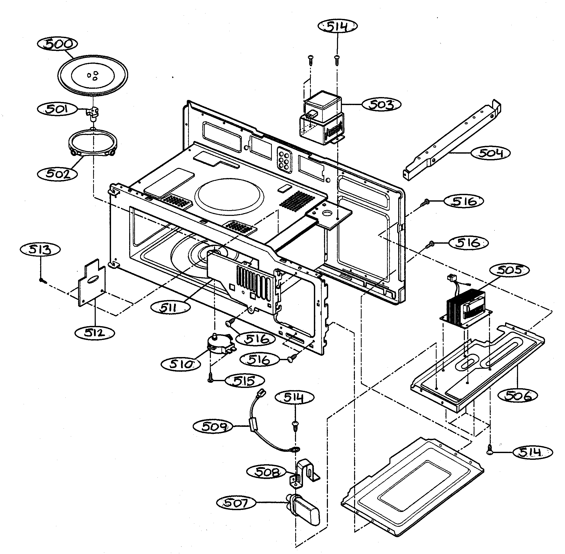
GOLDSTAR Microwave Oven Parts | Model MV-1320B | Sears ... gold star microwave parts diagrams wiring
Goldstar Microwave oven Wiring diagram Parts Images - Frompo gold star microwave parts diagrams wiring
GOLDSTAR MICROWAVE OVEN Parts | Model mv1310w | Sears ... gold star microwave parts diagrams wiring
GOLDSTAR MICROWAVE/CONVECTION OVEN Parts | Model mh1353m ... gold star microwave parts diagrams wiring
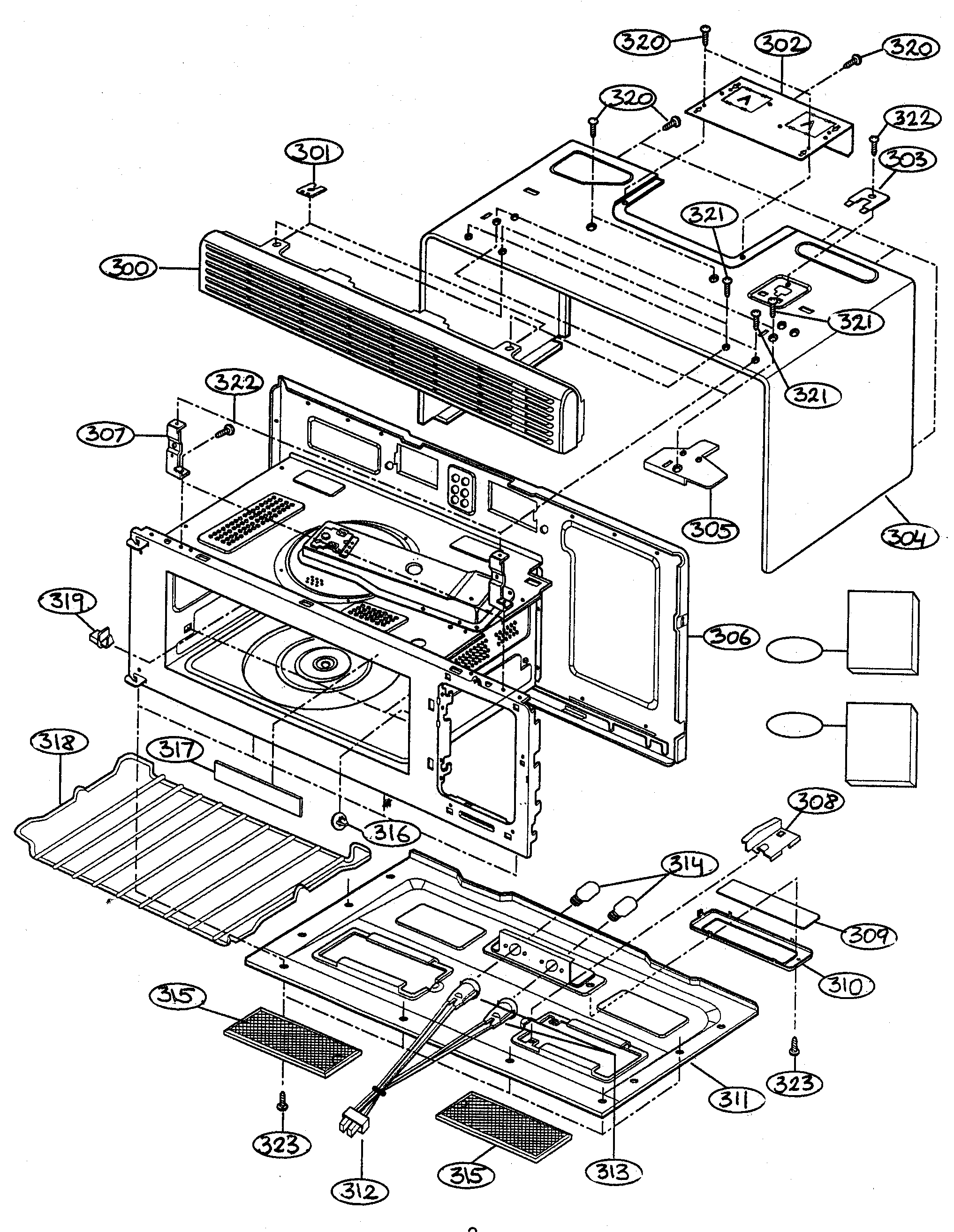
Goldstar model MV-1526B microwave/hood combo genuine parts gold star microwave parts diagrams wiring
GOLDSTAR MICROWAVE OVEN Parts | Model MV1320W | Sears ... gold star microwave parts diagrams wiring
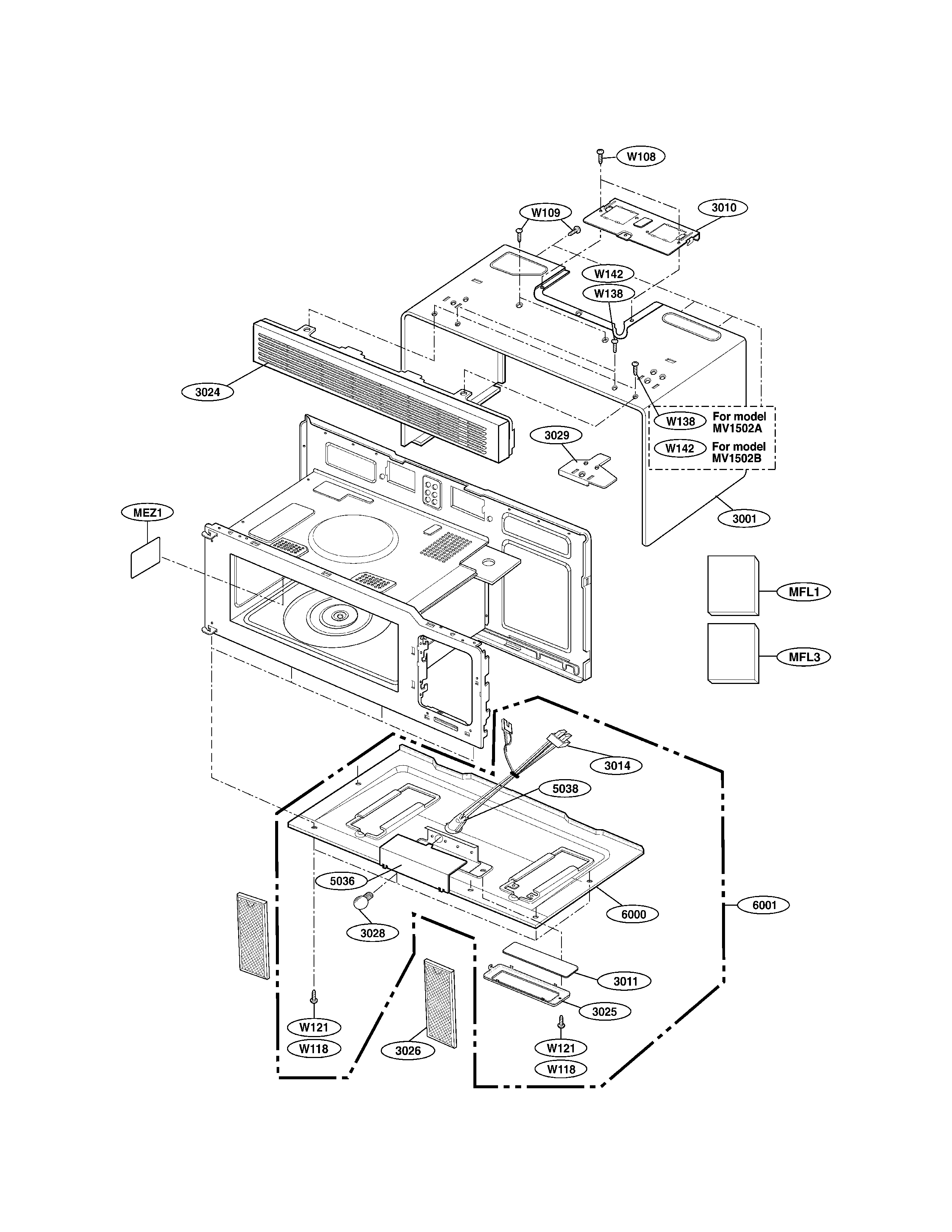
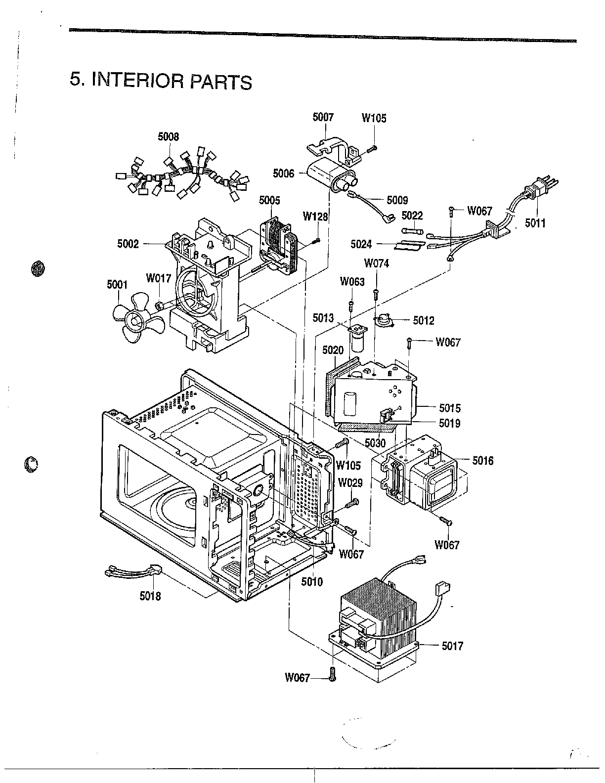
INTERIOR PARTS 2 Diagram & Parts List for Model MV1330W ... gold star microwave parts diagrams wiring
Goldstar model MV-1515W microwave/hood combo genuine parts gold star microwave parts diagrams wiring
Looking for Goldstar model MV-1515B microwave/hood combo ... gold star microwave parts diagrams wiring
Looking for Goldstar model MV-1515W microwave/hood combo ... gold star microwave parts diagrams wiring
GOLDSTAR ROOM A/C Parts | Model LXA1230ACL | Sears PartsDirect gold star microwave parts diagrams wiring
Looking for Goldstar model MV1608WW microwave/hood combo ... gold star microwave parts diagrams wiring
Goldstar model MV-1526B microwave/hood combo genuine parts gold star microwave parts diagrams wiring
GOLDSTAR MICROWAVE/HOOD COMBO Parts | Model MV1502B ... gold star microwave parts diagrams wiring
Looking for Goldstar model MV1501W microwave/hood combo ... gold star microwave parts diagrams wiring
Looking for Goldstar model MV-1515B microwave/hood combo ... gold star microwave parts diagrams wiring
GOLDSTAR Microwave Oven Parts | Model MV-1320B | Sears ... gold star microwave parts diagrams wiring
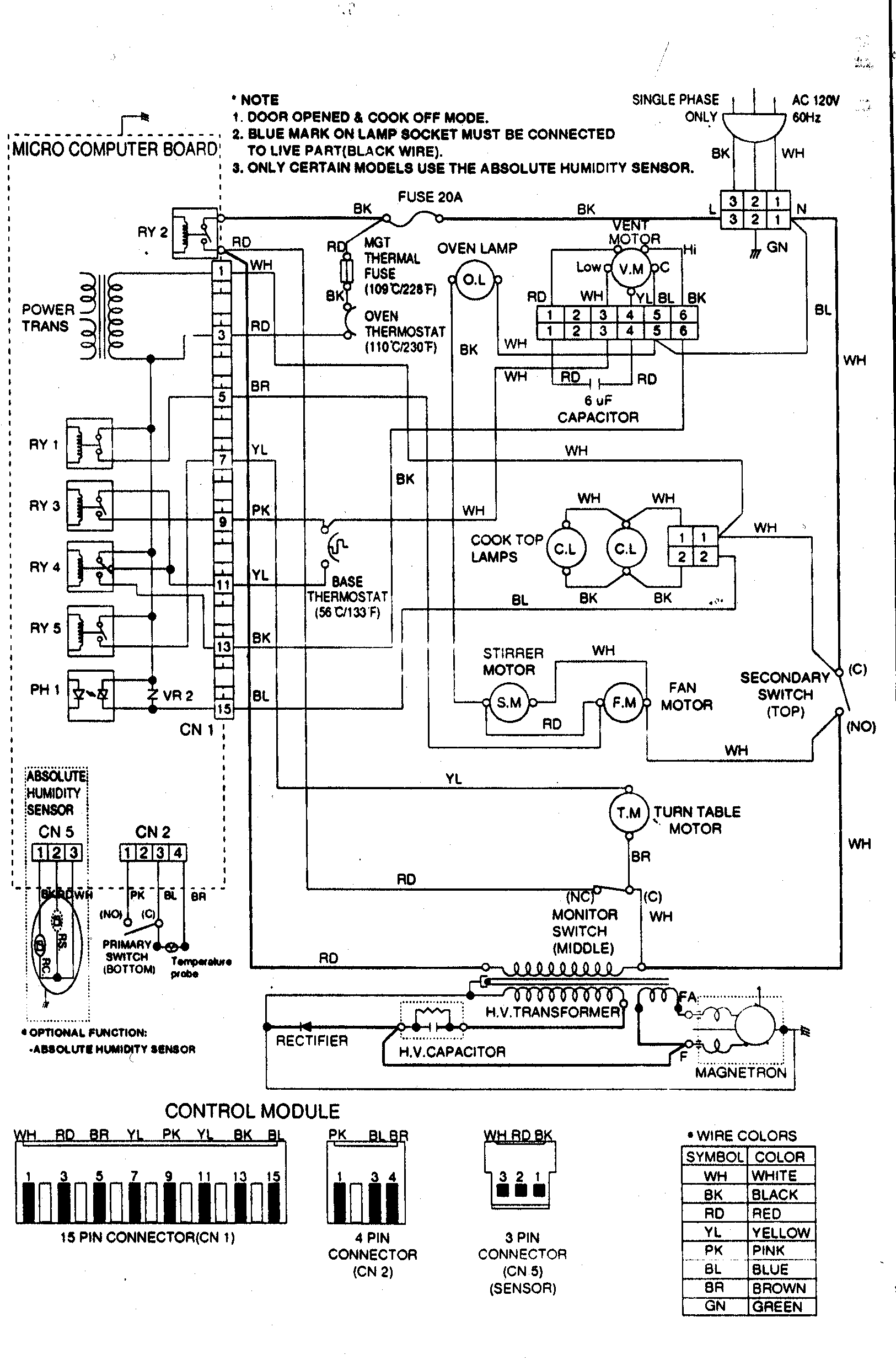
WIRING/NOISE FILTER/OVEN TRIM KITS Diagram & Parts List ... gold star microwave parts diagrams wiring
GOLDSTAR Microwave Oven Parts | Model MA-884M | Sears ... gold star microwave parts diagrams wiring
Goldstar model MA-884M countertop microwave genuine parts gold star microwave parts diagrams wiring
EMERSON Microwave Parts | Model MW8102SS | Sears PartsDirect gold star microwave parts diagrams wiring
301 Moved Permanently gold star microwave parts diagrams wiring
Looking for Goldstar model MV1501W microwave/hood combo ... gold star microwave parts diagrams wiring
PANASONIC Panasonic Microwave Oven Parts | Model NN-S949BA ... gold star microwave parts diagrams wiring
Goldstar model R5204 air conditioner -room genuine parts gold star microwave parts diagrams wiring
GOLDSTAR ROOM A/C Parts | Model R5208 | Sears PartsDirect gold star microwave parts diagrams wiring
GOLDSTAR Microwave Oven Parts | Model MV-1320B | Sears ... gold star microwave parts diagrams wiring
Goldstar model LW-E2132CL air conditioner -room genuine parts gold star microwave parts diagrams wiring
Microwave Wiring Diagram - Opendoor gold star microwave parts diagrams wiring
11 Simple Electrical Wiring Diagram Of Microwave Oven ... gold star microwave parts diagrams wiring
Microwave fuse blows when I try to start it. gold star microwave parts diagrams wiring
PANASONIC MICROWAVE Parts | Model NNSN960S | Sears PartsDirect gold star microwave parts diagrams wiring
GOLDSTAR Microwave Oven Parts | Model MA-884M | Sears ... gold star microwave parts diagrams wiring
Looking for Goldstar model MV-1515B microwave/hood combo ... gold star microwave parts diagrams wiring
Goldstar MV-1525B microwave/hood combo parts | Sears Parts ... gold star microwave parts diagrams wiring

Gold Star Microwave Parts Diagrams Wiring


Please create a FREE ACCOUNT to continue reading or download !

Start Your FREE Month!!