Volvo Vn Truck Wiring Diagrams

volvo vn truck wiring diagrams
2003 Volvo VNL 660 w/ Cummins N-14. TRACTOR tail lights ... volvo vn truck wiring diagrams
volvo wiring diagram vm volvo vn truck wiring diagrams
Volvo Truck - D13 A - Wiring Diagram Link J1939 volvo vn truck wiring diagrams
Volvo-FH-12(D12A-380) Wiring Diagrams - Automotive Library volvo vn truck wiring diagrams
Volvo Vnl Wiring Scmatics For Vnl64t - Pdfsdocuments.com ... volvo vn truck wiring diagrams
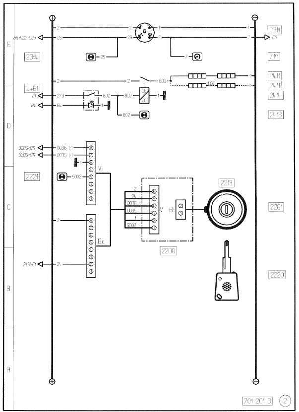
Volvo wiring diagram fh volvo vn truck wiring diagrams
I need help getting a A/C wiring diagram for a Volvo vin ... volvo vn truck wiring diagrams
[Wiring Diagram] - Volvo S40 2007 Wiring Diagrams ... volvo vn truck wiring diagrams
RENAULT Megane 2 Wiring Diagrams - Car Electrical Wiring ... volvo vn truck wiring diagrams
MERCEDES SPRINTER Wiring Diagrams - Car Electrical Wiring ... volvo vn truck wiring diagrams
RENAULT MAGNUM Truck Wiring Diagrams - Car Electrical ... volvo vn truck wiring diagrams
CITROEN ZX Wiring Diagrams - Car Electrical Wiring Diagram volvo vn truck wiring diagrams
ACURA TL Wiring Diagrams - Car Electrical Wiring Diagram volvo vn truck wiring diagrams
Vacuum lines on 1985 GMC Sierra - Ask the GM Technician ... volvo vn truck wiring diagrams
EHPS Redone - Page 2 - Honda-Tech - Honda Forum Discussion volvo vn truck wiring diagrams
Tail light wiring diagram - Fixya volvo vn truck wiring diagrams
Volvo Model Lines | Heavy Haulers RV Resource Guide volvo vn truck wiring diagrams
Mack Suspension Parts and Schematics - Stengel Bros Inc. volvo vn truck wiring diagrams
Denlors Auto Blog » Blog Archive » Car AC Vacuum Pumps – FAQ’s volvo vn truck wiring diagrams

Volvo Vn Truck Wiring Diagrams


Please create a FREE ACCOUNT to continue reading or download !

Start Your FREE Month!!