Boat Trim Tabs Wiring Diagram

boat trim tabs wiring diagram
Trim tab wiring boat trim tabs wiring diagram
Trim Tab Troubleshooting: Tab Won't Stay Down (Bleeds Back ... boat trim tabs wiring diagram
Carling Rocker switches boat trim tabs wiring diagram
bennett trim tabs | PlanetArduino boat trim tabs wiring diagram
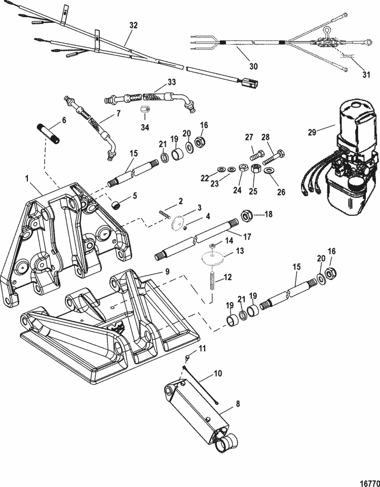
Mercury Marine Trim / Tilt / Lift Systems & Components K ... boat trim tabs wiring diagram
219-VC1000 BENNETT TRIM TAB CONTROL boat trim tabs wiring diagram
Gallery Of Boat Lift Motor Wiring Diagram Sample boat trim tabs wiring diagram
Tilt Trim Pump and Motor Mercruiser 1986 and later Oildyne ... boat trim tabs wiring diagram
2000 Four Winns 268 Vista 27' - by Boat Export USA, 50,000 ... boat trim tabs wiring diagram
Location of structure scan transducer - The Hull Truth ... boat trim tabs wiring diagram
Marinco 305BP 30A Male Locking Plug - Marinco 305BP - 30 ... boat trim tabs wiring diagram
Arco Alternator 60050 boat trim tabs wiring diagram
Marine Dock & Boat 48
CMC PL-65 HS Jack Plate Replacement Parts 65301/65302 boat trim tabs wiring diagram
SkipperBud's - Sturgeon Bay | 1994 Bayliner 2452 for sale ... boat trim tabs wiring diagram
Sea Ray 52 Sedan Bridge Switch Panel boat trim tabs wiring diagram
When To Use Zinc Anodes Over Aluminum Anodes On A Boat boat trim tabs wiring diagram
MarineTech Navigator 165 Electric Boat Motor 165lb. Thrust ... boat trim tabs wiring diagram
Sideshift ST340 Stern Thruster For up to 45' Boat with ... boat trim tabs wiring diagram

Boat Trim Tabs Wiring Diagram


Please create a FREE ACCOUNT to continue reading or download !

Start Your FREE Month!!