Diy Power Supply Diagrams

diy power supply diagrams
DIY Bench Power Supply unit diy power supply diagrams
Make Your Own Power Supply !! – Embedded Electronics Blog diy power supply diagrams
DIY power supply PC boost buck converter display diy power supply diagrams
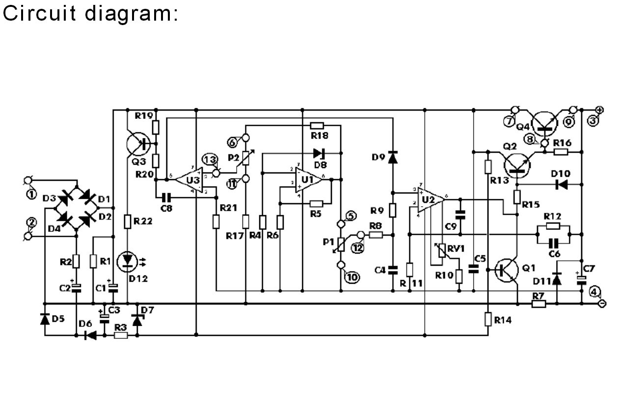
0-30V Variable Power Supply circuit Diagram at 3A ... diy power supply diagrams
DIY Breadboard Power Supply Circuit on PCB diy power supply diagrams
DIY Bench Power Supply (Single Channel) - Hackster.io diy power supply diagrams
Power supply Diagram - YouTube diy power supply diagrams
How To Make A DIY Variable Power Supply With Adjustable ... diy power supply diagrams
10 Amp 13 8 Volt Power Supply description and circuit ... diy power supply diagrams
Test Bench Power Supply Schematic Circuit Drawings diy power supply diagrams
DIY | simple separated DC voltage regulator 5v,6v,8v,9v ... diy power supply diagrams
Digital Multiple Voltage Power Supply - Electronics-Lab diy power supply diagrams
DIYfan: Adjustable lab power supply diy power supply diagrams
Simple DIY lab power supply diy power supply diagrams
Four Output Isolated | General Guitar Gadgets diy power supply diagrams
DIY variable bench power supply (less than 10$) - YouTube diy power supply diagrams
DIY Lab Bench Power Supply from ATX PSU - YouTube diy power supply diagrams
DIY BENCH POWER SUPPLY - YouTube diy power supply diagrams
Precise Power Supply Adjustable 0-30V 0-3A DIY from Power ... diy power supply diagrams
DIY PC PSU to Bench / Project Power Supply - Steven B. diy power supply diagrams
Bench Lab Power Supply 0-50V 0-5A - Gadgetronicx diy power supply diagrams
Misc > The Ultimate Power Supply : DIY Fever – Building my ... diy power supply diagrams
DIY Variable Linear Voltage Power Supply-Part 1: 4 Steps ... diy power supply diagrams
0-28 Volt 0.01-2A DC Power Supply DIY Kit from banggood ... diy power supply diagrams
Regulated Power Supply-Block Diagram,Circuit Diagram,Working diy power supply diagrams
‫عمل باور سبلاي متغير في المنزل‬‎ - YouTube diy power supply diagrams
DIY Toroidal Linear Power Supply Unit - YouTube diy power supply diagrams
#1:5 0-30V 2mA - 3A Adjustable DC Regulated Power Supply ... diy power supply diagrams
How to Make a Bench Power Supply || DIY Lab Power Supply ... diy power supply diagrams
DIY ATX variable bench power supply - YouTube diy power supply diagrams
DIY Bench Power Supply #2 - Initial Circuit draft and ... diy power supply diagrams
DIY Variable bench power supply diy power supply diagrams
Adjustable DC Regulated Power Supply DIY Kit (0-30V & 2mA ... diy power supply diagrams
DIY: Bench power supply using a computer's ATX SMPS - Team-BHP diy power supply diagrams
Circuit-Zone.com - Electronic Projects, Electronic ... diy power supply diagrams

Diy Power Supply Diagrams


Please create a FREE ACCOUNT to continue reading or download !

Start Your FREE Month!!