12v Solenoid Wiring Diagram Mowers

12v solenoid wiring diagram mowers
Replacing a Starter Solenoid on a Riding Lawn Mower - YouTube 12v solenoid wiring diagram mowers
Starter Solenoid John Deere L100 L110 L118 L120 L130 ... 12v solenoid wiring diagram mowers
How to Check the Solenoid on a Riding Lawn Mower | eHow 12v solenoid wiring diagram mowers
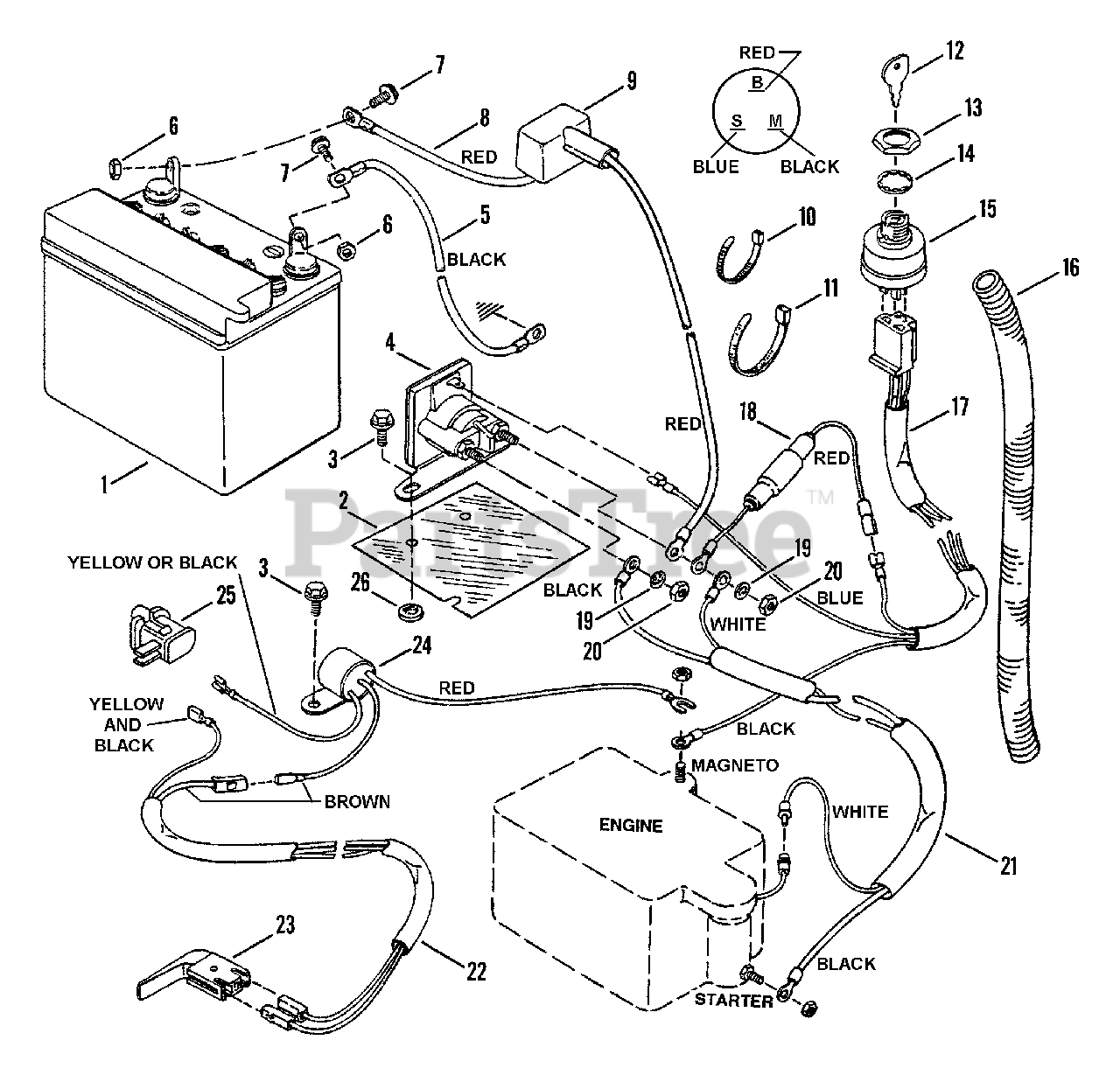
Snapper 421613BVE1 (80556) - Snapper 42
HOW TO TEST & REPLACE A SOLENOID ON A LA125 JOHN DEERE ... 12v solenoid wiring diagram mowers
MTD 136E450F000 (1996) Parts Diagram for Electrical/Switches 12v solenoid wiring diagram mowers
Ariens 915159 (045000 - ) Zoom 42 Parts Diagram for ... 12v solenoid wiring diagram mowers
MTD Task Force Mdl 130-651F062/95185 Parts Diagram for ... 12v solenoid wiring diagram mowers
Campbell Hausfeld PW1345 Parts Diagram for Pump Parts 12v solenoid wiring diagram mowers
Campbell Hausfeld FL3204 Parts Diagram for Air-Compressor ... 12v solenoid wiring diagram mowers
Kohler Engine ZT720-3017 21 hp Confidant 725cc ... 12v solenoid wiring diagram mowers
MTD 136B560B022 (1996) Parts Diagram for Electrical/Switches 12v solenoid wiring diagram mowers
Gravely 915327 (030000 - 034999) Zoom 34 CE Parts Diagram ... 12v solenoid wiring diagram mowers
wiring diagram john deere skid steer under Repository ... 12v solenoid wiring diagram mowers

12v Solenoid Wiring Diagram Mowers


Please create a FREE ACCOUNT to continue reading or download !

Start Your FREE Month!!