X Ray Interlock Wiring Diagram

x ray interlock wiring diagram
Generator transfer switch wiring diagram | Home Stuff in ... x ray interlock wiring diagram
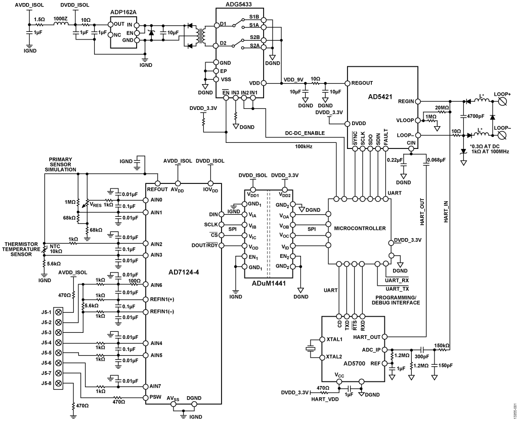
CN0382 実用回路およびリファレンス回路情報 | アナログ・デバイセズ x ray interlock wiring diagram
Engineers create the first laser breathalyzer, for drive ... x ray interlock wiring diagram
PLC Program to Drive Motor in Forward and Reverse ... x ray interlock wiring diagram
Connecting the 460X &570X cases to the RGB headers on MB's ... x ray interlock wiring diagram

X Ray Interlock Wiring Diagram


Please create a FREE ACCOUNT to continue reading or download !

Start Your FREE Month!!