Electric Train Wiring Diagrams

electric train wiring diagrams
| Repair Guides | Overall Electrical Wiring Diagram (2005 ... electric train wiring diagrams
EMD E9A Schematic Diagram circa 1954 : trains electric train wiring diagrams
how+do+rr+signals+work | Figure 5--Wiring of gate lamps ... electric train wiring diagrams
New member, wiring help with older Lionel diesel from the ... electric train wiring diagrams
lionel train help wires connect track electric train wiring diagrams
HVAC Training - Schematic Diagrams - YouTube electric train wiring diagrams
using a rectifier with a lionel e unit | O Gauge ... electric train wiring diagrams
e-Train, the online magazine of the Train Collectors ... electric train wiring diagrams
Repair Guides electric train wiring diagrams
A/C stopped working after a burning smell - DoItYourself ... electric train wiring diagrams
Naked Märklin electric train wiring diagrams
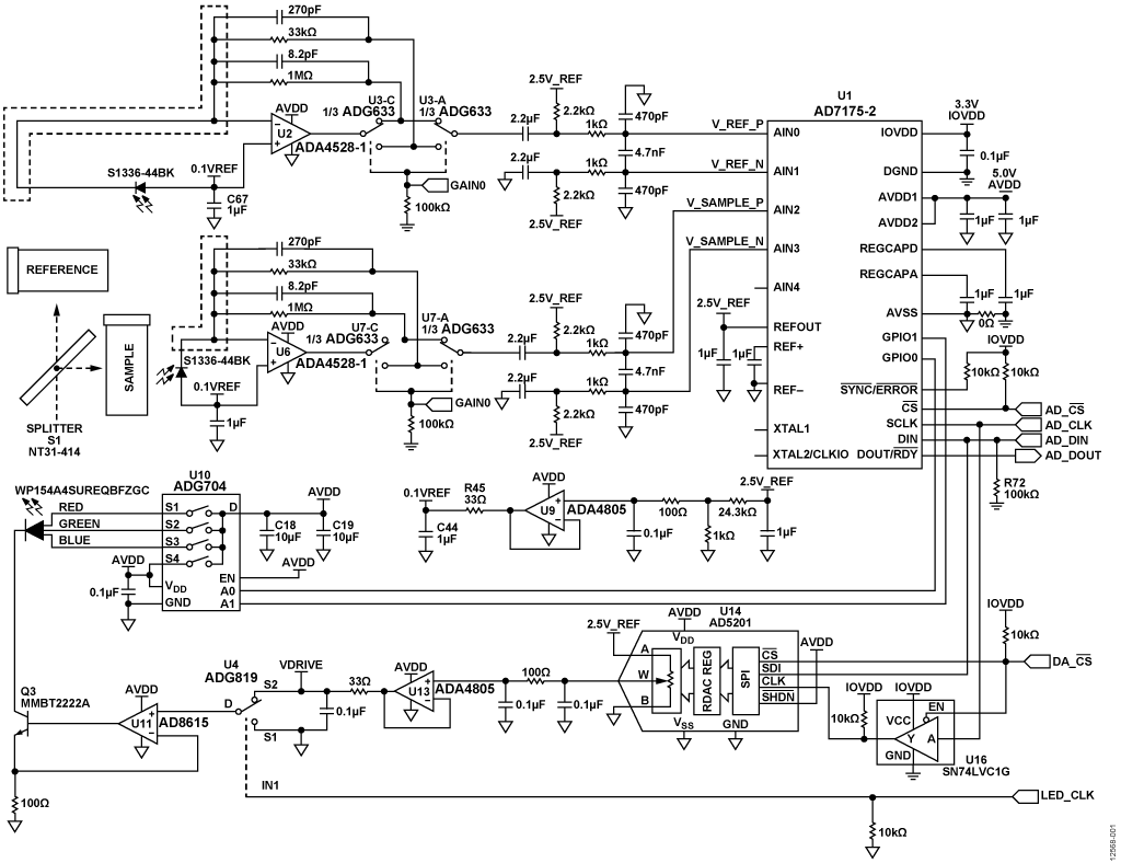
CN0363 Circuit Note | Analog Devices electric train wiring diagrams
Wye start Delta run idler motor strategy for 20hp rpc - Page 2 electric train wiring diagrams
Model Train Help Blog electric train wiring diagrams
HARLEY DAVIDSON HERITAGE SOFTAIL - YouTube electric train wiring diagrams
mountainous model trains foam board - Google Search ... electric train wiring diagrams
Snapper Rear Engine Rider Drive Disc Adjustment - DIY ... electric train wiring diagrams
Applications | Wesley Valve Company electric train wiring diagrams
What is a gas turbine? - Quora electric train wiring diagrams
Hydraulic Pump/Motor Repair Schuylkill electric train wiring diagrams

Electric Train Wiring Diagrams


Please create a FREE ACCOUNT to continue reading or download !

Start Your FREE Month!!