Honda Elite Wiring Diagram

honda elite wiring diagram
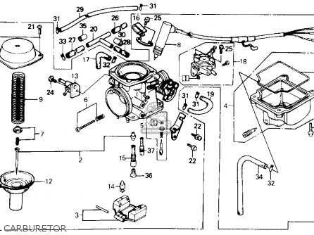
Honda CH250 ELITE 250 1988 (J) USA parts lists and schematics honda elite wiring diagram
ZX99 Experience: New Issues ... vacuum petcock and excess ... honda elite wiring diagram
Diagrama o sistema eléctrico de motos chinas | Taringa! honda elite wiring diagram
1986 Elite 150 Carburetor hose diagram. - Motor Scooter ... honda elite wiring diagram
Homelite UT905000P 5000 Watt Generator Parts Diagram for ... honda elite wiring diagram
Skill Builder: Reading Circuit Diagrams | Make: honda elite wiring diagram
Homelite Vac Attack II Blower UT-08514 Parts Diagram for ... honda elite wiring diagram
Honda Activa - How to open the Clutch - YouTube honda elite wiring diagram
Homelite HU5000 Series 5,000 Watt Generator Parts Diagram ... honda elite wiring diagram
CRF250X Big Bore honda elite wiring diagram
07+ Suzuki Burgman 400 Fuse Box Location | MicBergsma ... honda elite wiring diagram
How To Replace Your Automatic Voltage Regulator On Your ... honda elite wiring diagram
Saving Silverado (Part 6): Replacing the Knock Sensor on ... honda elite wiring diagram
6.4L Powerstroke Maintenance You Must Perform! | Mishimoto ... honda elite wiring diagram
Rear Wiper Not Working - Mercedes-Benz Forum honda elite wiring diagram
Kick Start Gear Aligment - 150cc GY6 - YouTube honda elite wiring diagram
How to Pair an iPad to Your 2013 Honda Odyssey - YouTube honda elite wiring diagram
Oil Pan Gasket Replacement 98C230 ? - Mercedes-Benz Forum honda elite wiring diagram
Blower motor fuse link - Mercedes-Benz Forum honda elite wiring diagram

Honda Elite Wiring Diagram


Please create a FREE ACCOUNT to continue reading or download !

Start Your FREE Month!!