Toyota Pickup Wiring Diagrams Free Downloads

toyota pickup wiring diagrams free downloads
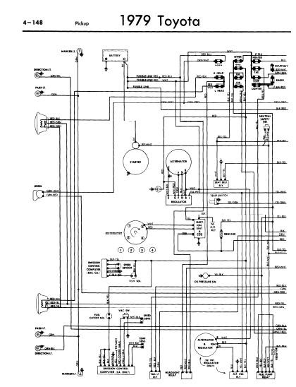
repair-manuals: Toyota Pickup 1979 Wiring Diagrams toyota pickup wiring diagrams free downloads
repair-manuals: Toyota Starlet 1982 Wiring Diagrams toyota pickup wiring diagrams free downloads
repair-manuals: Toyota Pickup 1977 Wiring Diagrams toyota pickup wiring diagrams free downloads
repair-manuals: Toyota Celica 1981 Wiring Diagrams toyota pickup wiring diagrams free downloads
repair-manuals: Toyota Corona 1972 Wiring Diagrams toyota pickup wiring diagrams free downloads
repair-manuals: Toyota Truck & 4Runner 1985 Repair Manual toyota pickup wiring diagrams free downloads
repair-manuals: 1980-1982 Toyota Corolla Electrical Wiring ... toyota pickup wiring diagrams free downloads
repair-manuals: Toyota Corolla 1982 Wiring Diagrams toyota pickup wiring diagrams free downloads
1986 chevrolet c10 5.7 v8 engine wiring diagram | Chevy ... toyota pickup wiring diagrams free downloads
repair-manuals: Toyota Celica A20 1977 Wiring Diagrams toyota pickup wiring diagrams free downloads
repair-manuals: Toyota Corona Mark II 1976 Wiring Diagrams toyota pickup wiring diagrams free downloads
repair-manuals: Toyota Starlet 1982 Wiring Diagrams toyota pickup wiring diagrams free downloads
JOHN DEERE LX188 MANUAL - Auto Electrical Wiring Diagram toyota pickup wiring diagrams free downloads

Toyota Pickup Wiring Diagrams Free Downloads


Please create a FREE ACCOUNT to continue reading or download !

Start Your FREE Month!!