Amana Ptac Wiring A

amana ptac wiring a
Amana Ptac Wiring Diagram | Free Wiring Diagram amana ptac wiring a
Amana Ptac Wiring Diagram | Free Wiring Diagram amana ptac wiring a
Amana Ptac Wiring Diagram Download | Wiring Collection amana ptac wiring a
Amana Ptac Wiring Diagram | Free Wiring Diagram amana ptac wiring a
Amana Ptac Wiring Diagram | Free Wiring Diagram amana ptac wiring a
Amana Ptac Wiring Diagram | Free Wiring Diagram amana ptac wiring a
Have PTH 15 Amana AC / Heat Pump system. Trying to connect ... amana ptac wiring a
Amana Ptac Wiring Diagram Pth153351 amana ptac wiring a
Amana Ptac Wiring Diagram | Free Wiring Diagram amana ptac wiring a
Amana Ptac Wiring Diagram Collection | Wiring Diagram Sample amana ptac wiring a
Amana Thermostat Wiring amana ptac wiring a
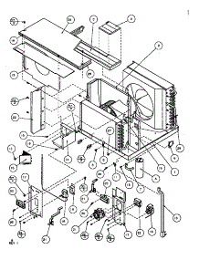
WIRING DIAGRAM Diagram & Parts List for Model ... amana ptac wiring a
Amana model PTH09525JFP/P1169401R air-conditioner/heat ... amana ptac wiring a
Problem connecting PTAC to remote thermostat ... amana ptac wiring a
Amana indoor blower BBC48a2a fan short cycling ... amana ptac wiring a
I have a Friedrich packaged heating/AC unit (like the ones ... amana ptac wiring a
ALTERNATE COMPRESSOR VIEW Diagram & Parts List for Model ... amana ptac wiring a
Parts for Amana 10C2MA / P6968312R Air Conditioner ... amana ptac wiring a
DMQ Series 277V Digital PTAC with Electric Resistance Heat ... amana ptac wiring a
Amana model RCC30A2B/P1172420C air-conditioner/heat pump ... amana ptac wiring a
MISCELLANEOUS CHASSIS ASSY PARTS Diagram & Parts List for ... amana ptac wiring a
AMANA Export Package Terminal Air Conditioner Wiring ... amana ptac wiring a
GE WP26X10028 Drive Pwb-K - AppliancePartsPros.com amana ptac wiring a
Amazon.com: PTAC Wiring Harness Kit for remote wall ... amana ptac wiring a
Amana Air Conditioners - PTAC Accessories - Remote ... amana ptac wiring a
Amana Ptac Wiring Diagram Download | Wiring Collection amana ptac wiring a
Inside the Amana PTAC - YouTube amana ptac wiring a
Amana PTC153G35AXXX 15,000 BTU Packaged Terminal Air ... amana ptac wiring a
Dangerous Wiring and a 2008 or 2009 Amana 1 ton 3Kw Mini ... amana ptac wiring a
Amana Wiring Harness | HD Supply amana ptac wiring a
Amana PTAC Issue - Have to keep resetting in cold weather amana ptac wiring a
PTAC Wiring Harness Kit for remote wall thermostat Amana ... amana ptac wiring a
PTAC Wiring Harness Kit for remote wall thermostat Amana ... amana ptac wiring a
Amana 9,000 BTU R-410A Packaged Terminal Air Conditioning ... amana ptac wiring a
Amana 2246007 Nonprogrammable Thermostat/Wiring Harness amana ptac wiring a

Amana Ptac Wiring A


Please create a FREE ACCOUNT to continue reading or download !

Start Your FREE Month!!