Gn250 Wire Diagram

gn250 wire diagram
suzuki-classic.de gn250 wire diagram
Suzuki Gn250 1996 (t) Wiring Harness - schematic partsfiche gn250 wire diagram
Yamaha Twinjet YL1 Salt Lake Racer | Retro Rides gn250 wire diagram
Suzuki Gn250 1982 (z) Usa (e03) parts list partsmanual ... gn250 wire diagram
Suzuki DR125S 1983 (D) WIRING HARNESS - buy original ... gn250 wire diagram
Suzuki Gn250 1992 (n) Australia (e24) parts list ... gn250 wire diagram
SOLVED: Where to connect the wires back where they belong ... gn250 wire diagram
Simplest and most minimalistic wiring for a CB200? gn250 wire diagram
MotoGadget M-Unit Wiring | BikeBrewers.com gn250 wire diagram
MotoGadget M-Unit Wiring | BikeBrewers.com gn250 wire diagram
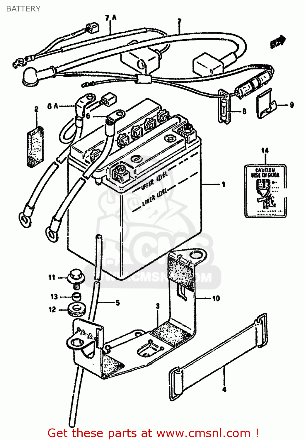
Suzuki GN250 1993 (P) AUSTRALIA (E24) BATTERY - buy ... gn250 wire diagram
hola, tengo un mercedes clase A 160 . me podria dar ... gn250 wire diagram
Low Voltage Wiring Diagram Trane Model Number Twe040e13fb2 gn250 wire diagram
Points for Pilots: Testing Rotax 912/914 Generator and ... gn250 wire diagram
Motorcycle Electrics 101 - Re- wiring your Cafe Racer ... gn250 wire diagram
Hobbit CDI Wiring - Moped Wiki gn250 wire diagram
How to Make a Reliable Motorcycle Voltage Regulator: 11 Steps gn250 wire diagram
Carburetor Adjustments gn250 wire diagram

Gn250 Wire Diagram


Please create a FREE ACCOUNT to continue reading or download !

Start Your FREE Month!!