Yamaha Banshee Wiring Diagram

yamaha banshee wiring diagram
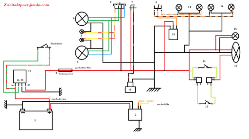
Elektrik - das Problemkind - zweitaktpowers Webseite! yamaha banshee wiring diagram
Yamaha Banshee YFZ350 Online ATV Service Manual - Cyclepedia yamaha banshee wiring diagram
Requests - Rocktron - Banshee Talkbox (schematic) yamaha banshee wiring diagram
Yamaha YFM350 Raptor Warrior Cyclepedia Printed ATV Repair ... yamaha banshee wiring diagram
Déjà Blue - New Model Test | ATV Illustrated yamaha banshee wiring diagram
Bashan 250 manual | Chinese atv china quad | Quady z chin ... yamaha banshee wiring diagram
Warrior 350 Yamaha Raptor 1990-2013 YFM350 ATV Service ... yamaha banshee wiring diagram
Yamaha Virago starter clutch, New superseded part. - YouTube yamaha banshee wiring diagram
1989 Suzuki Quadracer 500 | THis is the famous 500cc ... yamaha banshee wiring diagram
Service/Repair Manual, priručnici za motocikle! 45 kn!! yamaha banshee wiring diagram
Forum moto mécanique moto :: sujet forum moto - Xl 125 R ... yamaha banshee wiring diagram
Powerdynamo for Yamaha RD with stock electronic ignition ... yamaha banshee wiring diagram
Mikuni VM34 Float Adjustment - YouTube yamaha banshee wiring diagram
Viper Manual yamaha banshee wiring diagram
How to diagnose a no spark situation on a motorcycle - YouTube yamaha banshee wiring diagram
yamaha gp1300r motor . (calhoun ) for Sale in Atlanta ... yamaha banshee wiring diagram
Mercury Marine 3.3 HP Carburetor Parts yamaha banshee wiring diagram
Parts.com® | Mazda SEAL,OIL C/SHAFT PartNumber BP0511312 yamaha banshee wiring diagram
2002 Honda 300ex yamaha banshee wiring diagram
Front Grill w/10

Yamaha Banshee Wiring Diagram


Please create a FREE ACCOUNT to continue reading or download !

Start Your FREE Month!!