Aftermarket Door Lock Actuator Wiring

aftermarket door lock actuator wiring
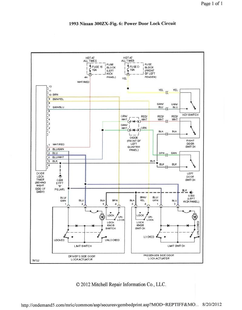
question on keyless entry install - Nissan Forum | Nissan ... aftermarket door lock actuator wiring
Car Alarm System - Timothy Boger's Engineering Blog aftermarket door lock actuator wiring
How Central Door Lock Actuators and Relays Work - YouTube aftermarket door lock actuator wiring
Door lock actuator: problems, testing, replacement aftermarket door lock actuator wiring
451m problem aftermarket door lock actuator wiring
How To Install Replace Power Window Regulator Toyota Camry ... aftermarket door lock actuator wiring
Power operated tailgate lift assisting system TL105 – Autoease aftermarket door lock actuator wiring
Camaro & Firebird Window Motor Replacement - YouTube aftermarket door lock actuator wiring
2004 Suburban factory installed tow package - can't get ... aftermarket door lock actuator wiring
2003 oldsmobile (olds) Alero after market radio install ... aftermarket door lock actuator wiring
ROUTING A SPEAKER WIRE THROUGH A FACTORY DOOR BOOT ... aftermarket door lock actuator wiring
How To Install Replace Power Window Motor Regulator Ford ... aftermarket door lock actuator wiring
Headrests, rollbar will not reset - MBWorld.org Forums aftermarket door lock actuator wiring
Sparky's Answers - 2002 Chevrolet Tahoe, Fog Lights Do Not ... aftermarket door lock actuator wiring
RH Front Seat Back Rest Leather Cover & Foam 02-05 VW ... aftermarket door lock actuator wiring
how to install a aftermarket radio and a alpine powerpack ... aftermarket door lock actuator wiring
FBI Vehicle-Tracking Device: The Teardown | WIRED aftermarket door lock actuator wiring
How to find replace fix 4x4 transfer case shift module ... aftermarket door lock actuator wiring
Hood 93-99 VW Jetta Mk3 - LG6S Sequoia Green - Local Pick ... aftermarket door lock actuator wiring
RH Seat Height Adjuster Gear 99-05 Jetta Golf MK4 Beetle ... aftermarket door lock actuator wiring

Aftermarket Door Lock Actuator Wiring


Please create a FREE ACCOUNT to continue reading or download !

Start Your FREE Month!!