Magic Chef Stove Wiring Diagram

magic chef stove wiring diagram
gas - How do I relight the pilot light on my Magic Chef ... magic chef stove wiring diagram
Magic Chef 6498VVV Gas Range Timer - Stove Clocks and ... magic chef stove wiring diagram
MAGIC CHEF MAGIC CHEF COOKING Parts | Model cep3540aaw ... magic chef stove wiring diagram
Magic Chef 9825VUV Electric Oven Timer - Stove Clocks and ... magic chef stove wiring diagram
MAGIC CHEF RANGE Parts | Model CGR3740ADH | Sears PartsDirect magic chef stove wiring diagram
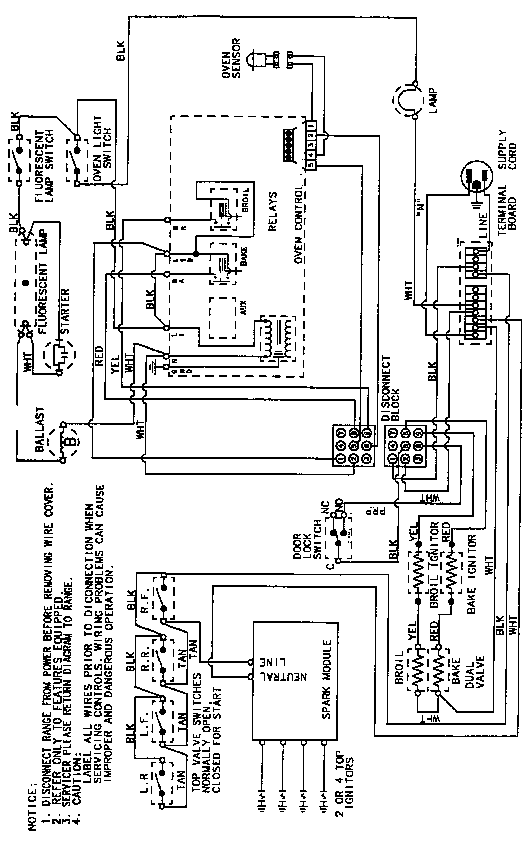
SOLVED: Maytag magic chef model #cgr3760adw oven lights on ... magic chef stove wiring diagram
electric stove wiring – gladiator.site magic chef stove wiring diagram
WIRING INFORMATION Diagram & Parts List for Model 9875XYB ... magic chef stove wiring diagram
Magic Chef 3468VVV Timer - Stove Clocks and Appliance Timers magic chef stove wiring diagram
Magic Chef 9825VUV Electric Oven Timer - Stove Clocks and ... magic chef stove wiring diagram
Parts for Magic Chef 9895VRV: Wiring Information (wall ... magic chef stove wiring diagram
Magic Chef 9825VUV Electric Oven Timer - Stove Clocks and ... magic chef stove wiring diagram
Parts for Magic Chef 3500PPW Range - AppliancePartsPros.com magic chef stove wiring diagram
Magic-Chef model 3468XVA range (gas) genuine parts magic chef stove wiring diagram
Magic Chef 64HN4TKVW Timer - Stove Clocks and Appliance Timers magic chef stove wiring diagram
Find Out Here Frigidaire Electric Range Wiring Diagram ... magic chef stove wiring diagram
Maytag 59F5TXW Timer - Stove Clocks and Appliance Timers magic chef stove wiring diagram
Magic Chef 9825VUV Electric Oven Timer - Stove Clocks and ... magic chef stove wiring diagram
Appliance Repair Revelation: Troubleshooting Gas Stove ... magic chef stove wiring diagram
Magic Chef 6498VTA Gas Range Timer - Stove Clocks and ... magic chef stove wiring diagram
Magic Chef 6498VRA Gas Range Timer - Stove Clocks and ... magic chef stove wiring diagram
Magic Chef CM47JW14T Microwave Timer - Stove Clocks and ... magic chef stove wiring diagram
Magic Chef 34JA3TKXWON Timer - Stove Clocks and Appliance ... magic chef stove wiring diagram
Magic Chef Furnace Wiring Diagram magic chef stove wiring diagram
Magic Chef Furnace Wiring Diagram magic chef stove wiring diagram
MAGIC CHEF MAGIC CHEF COOKING Parts | Model U11GN1K ... magic chef stove wiring diagram
Detail How does a wood gas generator work ~ Wooden Plans ... magic chef stove wiring diagram
Magic Chef 6498VVV Gas Range Timer - Stove Clocks and ... magic chef stove wiring diagram
Jenn-Air W131B Timer - Stove Clocks and Appliance Timers magic chef stove wiring diagram
Magic Chef 6498VTA Gas Range Timer - Stove Clocks and ... magic chef stove wiring diagram
neutral size for appliances magic chef stove wiring diagram
Parts for Magic Chef BT16LA-4T Range - AppliancePartsPros.com magic chef stove wiring diagram
Magic Chef 9825VUV Electric Oven Timer - Stove Clocks and ... magic chef stove wiring diagram
Magic-Chef model CLY1620BDB range sub assemblies genuine parts magic chef stove wiring diagram
Magic Chef Refrigerator Wiring Diagram magic chef stove wiring diagram

Magic Chef Stove Wiring Diagram


Please create a FREE ACCOUNT to continue reading or download !

Start Your FREE Month!!